EasyManua.ls Logo

Manitou MRT 2540 - Page 77

Manitou MRT 2540
206 pages
Print Icon
To Next Page IconTo Next Page
To Next Page IconTo Next Page
To Previous Page IconTo Previous Page
To Previous Page IconTo Previous Page
Loading...
IT
3
1
MRT 1850 - 2150 - 2540
P2-3
J2-1
P2-3
J2-18
P2-3
P1-4
P2-4
P1-3
F1-22 F1-12 J2-1
S1-2 S1-1 P1-4
PE
J2-PE
J2-15
J2-17
SEGNALE DI PENDOLO O ANTIRIBALTAMENTO
INPUT PENDULUM OR SAFETY SISTEM
EINGANG PENDEL ODER SICHERHEIT SISTEM
SPIA DI DIFETTO - ERROR LIGHT - STÖRUNG LICHT
SEG. PENDOLO 3D
INPUT PENDULUM 3D
EINGANG PENDEL
+
12V
+
12V-SEZ
+12V
+12V
+
12V-SEZ
+
12V
+12V
+
12V
+12V-SEZ
J
2
HEADER 24
1
2
3
4
5
6
7
8
9
10
11
12
13
14
15
16
17
18
19
20
21
22
23
24
P
1
AVVISATORE ACUSTICO
KLAXON
F
1
ARRESTO MOTORE
STOP ENGINE
STOPPEN SIE MASCHINE
S
1
POMPA EMERGENZA
EMERGENCY PUMP
DRINGLICHKEITSCPUMPE
J
3
HEADER 6X2
A
A
BB
CC
DD
EE
FF
MICRO SPORTELLO
MICRO DOOR
MIKROCTÜR
E
V SBLOCCO OSCILLAZIONE
CESTELLO PEND 3D
P
2
AVVIO MOTORE
START ENGINE
LASSEN SIE MASCHINE AN
D
L1
GIALLO
D
L2
ROSSO
D
1
1N4004
L
S1
BUZZER
D
2
1N4004
R
1
R
M
ICRO SOVRACCARICO
MICRO OVERLOADING
MIKROÜBERBELASTUNG
D
3
1N4004
R
2
R
Q
1
BC327
D
4
1N4004
R
3
47K
D
5
DIODE
R
4
R
E
V OSCILLATION RELEASE
BASKET PENDULUM 3D
YELLOW
RED
EV PENDELBEWEGUNG FREIGABE
KORB-PENDEL 3D
EN
DE
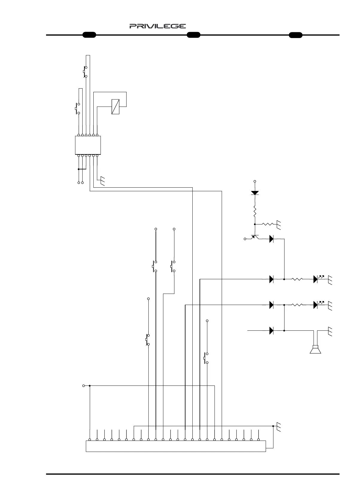
Tavola pulsantiera / Table remote control / Tafel druckknopftafel

Related product manuals