EasyManua.ls Logo

Manitou PRIVILEGE E3 - Page 78

Manitou PRIVILEGE E3
206 pages
Print Icon
To Next Page IconTo Next Page
To Next Page IconTo Next Page
To Previous Page IconTo Previous Page
To Previous Page IconTo Previous Page
Loading...
2
3
IT
MRT 1850 - 2150 - 2540
P
E
JOYSTICK
BEWEGLICHE ZUSTIMMUNG
CONSENSO MANOVRE
MICRO SWITCH JOYSTICK
MIKROCSCHALTER-STEUERKNÜPPEL
MICRO CONSENSO MANIP.
UP DW SX DX
SOLLEVAMENTO - LIFTING - ANHEBEN
SFILO - EXTENDING - VERLÄNGERN
OPTIONAL
ROTAZIONE - ROTATION - UMDREHUNG
EV ROT. CEST 3D - ROTATION PEND. 3D - UMDREHUNG PEND 3D
EV
SOL. CEST. 3D - LIFTING PEND. 3D - ANHEBENDER PEND. 3D
BRANDEGGIO - TILTING - KIPPEN
EV LIVEL AERIAL JIB 2
LEVELING AERIAL JIB 2
PLANIEREN AERIAL JIB 2
PRES. PEND. 3D
PRESENCE PEND 3D
ANWESENHEIT PEND 3D
POS. 1
POS. 5
POS. 2
POS. 4
POS. 3
COMMUTATORE ROTATIVO 5 POS.
ROTATING SWITCH 5 POS.
DREHENDER SCHALTER 5 POS.
+
12V
+12V-SEZ
+
12V-SEZ
+12V-SEZ
+12V-SEZ
+
12V-SEZ
+12V-SEZ
+
12V-SEZ
+12V-SEZ
R2
R
R
1
R
POT. X
J
2
HEADER 24
1
2
3
4
5
6
7
8
9
10
11
12
13
14
15
16
17
18
19
20
21
22
23
24
R5
100K
R
4
100K
R
5
100K
R5
100K
POT. Y
R2
R
R
1
R
MOVING CONSENT
EN
DE
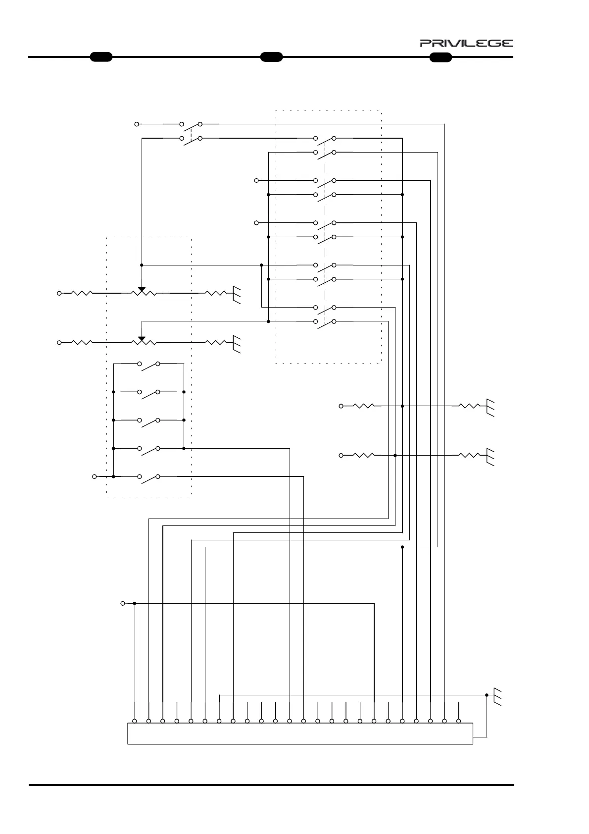
Tavola pulsantiera / Table remote control / Tafel druckknopftafel

Related product manuals