EasyManua.ls Logo

manvia TVS - Page 2

manvia TVS
2 pages
Print Icon
To Previous Page IconTo Previous Page
To Previous Page IconTo Previous Page
Loading...
MANVIA TVS is a thermal shutoff valve, which is used to assure that the process fluids are always
below the maximum allowable temperature for instruments, specially for analyzer sample
measurement.
When sample is too hot to be measured by analyzers, sample coolers are commonly used to reduce
sample temperature to the acceptable limits. In the event of a loss of cooling fluid to the sample
cooler, or if the desired sample temperature is exceeded the operating temperature 49°C (120ºF).
The thermal actuator modulates the valve to close the inlet orifice to prevent equipment damage.
CAUTION: The necessary protective equipment must be used in order to avoid knocks, cuts and
entrapments during installation. Follow this procedure for correct installation:
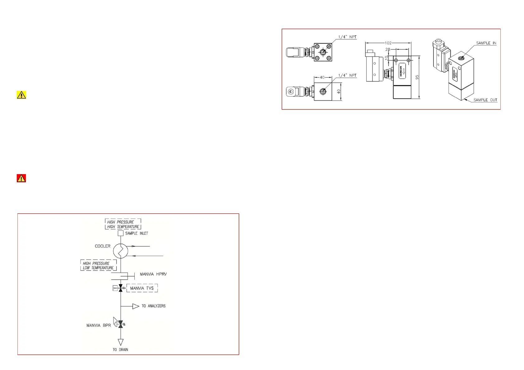
The MANVIA TVS, is preferably to be installed in according to process diagram below, after pressure
reducing valve.
MANVIA TVS, can be installed in any position required, vertical or o horizontal and with the desired
orientation. It not requires any kind of supporting, is supported by means of its process connections,
due to its reduced weight.
Is only important to respect outlet and inlet connection which are identified and must be correctly
connected in order to get a correct working of the valve.
Before start the installation of TVS, be sure that there is no high pressure or high temperature
fluid inside the tubing to connect the TVS:
It is advisable the use of corrosion resistant pipework suitable for the fluid being sampled in order
to connect TVS to sampling stream.
PRODUCTDESCRIPTION DIMENSIONALANDCONNECTIONDRAWING
INSTALLATION
In the normal mode of operation, while temperature is below the adjusting point (49 Casusual),
valve remains in open position. When temperature reach adjusting point, valve closes fully in a
few seconds, blocking sample stream and remains in this position up to temperature lowers up to
the reset point (45 C as usual). The reset is performed automatically, manual reset is not
required.
OPERATIONBASIS
Maintenance of the TVS only consists on frequently cleaning and/or replacement of the orings
and switch when malfunction is detected. Follow the instructions below to disassemble and
reassemble the TVS in order to do maintenance:
MAINTENANCE
For orings replacement:
1. Disconnect the valve from process b y using an adequate key and ensuring there is no
pressure neither temperature in sample stream before to do it.
2. It is advisable to use a bench in order to fix the TVS and avoid unexpected movements or
turns that can difficult the operation.
3. Remove the four M4 screws, in the four corners of the outlet connection cover and remove
it. In order to remove the screws it will be necessary to use an Allen key.
4. Remove the sensor capsule from inside the valve body.
5. Withdraw the push piston from inside the valve body by pushing it by means of a fine
screwdriver or similar, through inlet connection. Removing the spring in the bottom of the
body is not required. (this operation is not required for TVSA)
6. Remove the two orings around the piston and the oring in the outside of the cover, and
replace it for new ones (for TVSA only cover oring replacement is required)
7. Insert the piston inside valve body, with plug pointing to the bottom. Then place the sensor
capsule above the piston.
8. Close the valve body with the cover and insert the four M4 screws. Tighten the screws by
using an suitable Allen key.
9. Reconnect the valve to process by using an adequate key.
DISASSEMBLYANDREASSEMBLYOFTVS