EasyManua.ls Logo

Marchand Electronics XM66 - Page 8

Default Icon
9 pages
Print Icon
To Next Page IconTo Next Page
To Next Page IconTo Next Page
To Previous Page IconTo Previous Page
To Previous Page IconTo Previous Page
Loading...
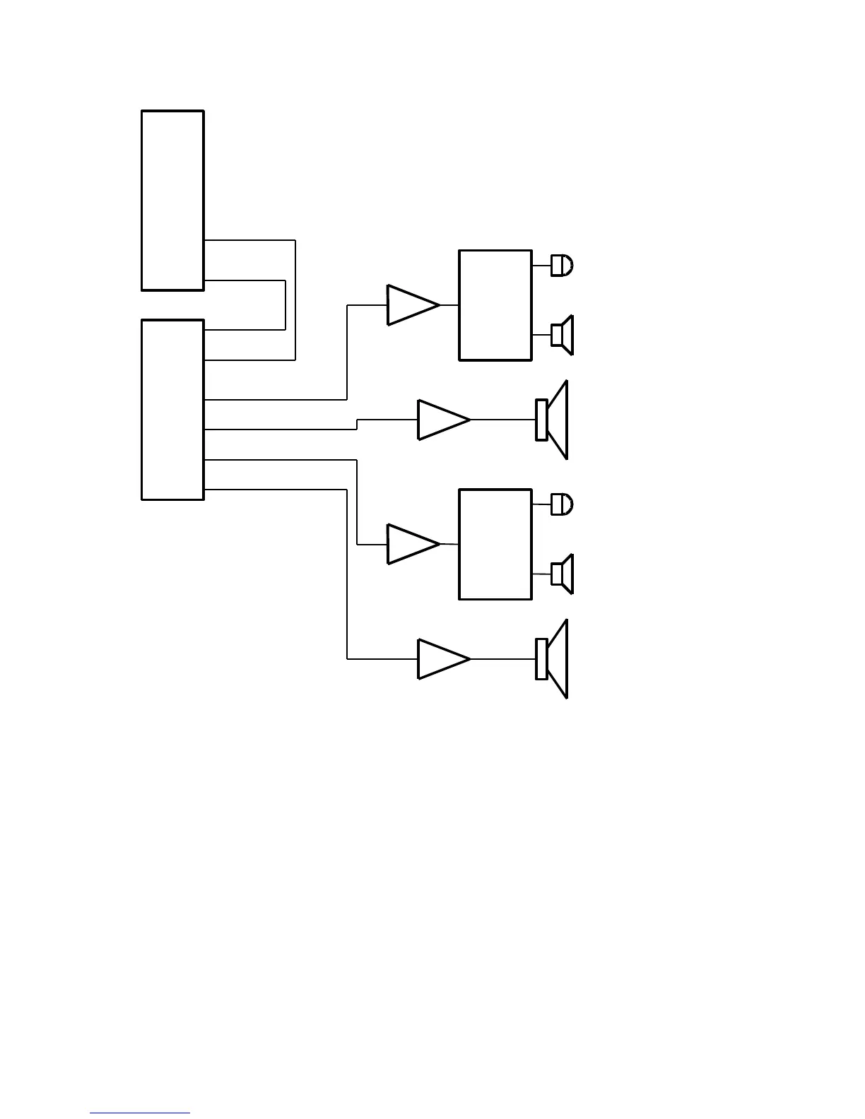
Hybrid system with passive crossover on the highs and active crossover on the lows
© 2017 Marchand Electronics Inc. www.marchandelec.com.
8
Amp
Left
Woofer
C
r
o
s
s
o
v
e
r
Left High Out
Right Low Out
Right High Out
Left Low Out
P
r
e
a
m
p
Right In
Left In
Left Out
Right Out
Left
Mid
Amp
Left
Tweeter
Passive
Crossover
Amp
Right
Woofer
Right
Mid
Amp
Right
Tweeter
Passive
Crossover