EasyManua.ls Logo

Master BV 110 E - Page 11

Master BV 110 E
16 pages
Print Icon
To Next Page IconTo Next Page
To Next Page IconTo Next Page
To Previous Page IconTo Previous Page
To Previous Page IconTo Previous Page
Loading...
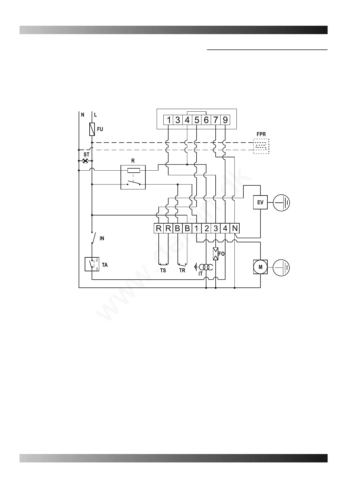
SCHEMA ELETTRICO - ELECTRIC DIAGRAM - ELEKTROSCHALTPLAN - ESQUEMA ALÁMBRICO
- SCHÉMA ÉLECTRIQUE - BEDRADINGSSCHEMA - ESQUEMA ELÉCTRICO - ELEKTRISK SKEMA
- SÄHKÖKAAVIO - OVERSIKT OVER ELEKTRISKE FUNKSJONER - ELSCHEMA - SCHEMAT
ELEKTRYCZNY - ЭЛEKTPOCXEMA - SCHÉMA ELEKTŘINY - VILLAMOS BEKÖTÉSI RAJZ -
ELEKTRIČNA SHEMA - ELEKTRIČNA SHEMA - ELEKTRIK SEMASI - ELEKTRISKEEM - SCHÉMA
ELEKTRICKÉHO ZAPOJENIA - ЕЛЕКТРИЧЕСКА СХЕМА - ЕЛЕКТРИЧНА ДІАГРАМА
1~220-240 V / 50 Hz
TF 974
FU= 10 A
FPR= Filtro
pre-riscaldo/
Pre-heating
filter/Preheating/
Precalientamiento/
Pré-aquecimento
1~220-240V / 50 Hz
Fig. 13
FU= Fusibile/Fuse/Schmelzsicherung/Fusible/Zekering/Fuvel/Sikring/Sulake/Sikring/Säkring/Bezpiecznik topikowy/Прeдохранитeль/Tavpojistka/Olvadóbiztosíték/
Запобіжник
IT=Trasformatore alta tensione/High voltage transformer/Hochspannungstransformator/Transform. alta tensión/Transform. haute tension/Hoogspanningstransformator/
Transform. de alta teno/Højsnding transform./Korkeajännitemuuntaja/Høyspenningstransformator/Transform. hög spänning/Transform.o wysokim napięciu/
ансформатор высокого напряжeния/Transform.vysokého na/Nagyfesltség transzformátor/Високовольтний трансформатор
TS=Termostato di sicurezza/Safety therm./Sicherheitsthermostat/Term. de seguridad/Thermostat de sécurité/Veiligheidsthermostaat/Term. de segurança/Sikkerheds
term./Varotermostaatti/Sikkerhetsterm./Säkerhetsterm.Termostat bezpieczeństwa/Прeдохранитeльный тeрмостат/Bezpnostní term./Biztonsági termosztát/Термостат
перегріву
EV=Elettrovalvola/Electric valve/Elektroventil/Electro-válvula/Électrovanne/Elektromagnetische klep/Eletrolvula/hköventtiili/Elventil/Elektrozawór/Элeктрокпан/Elektrick
ventil/Mágnesszelep/Електричний клапан
FO=Fotoresistenza/Photoresistance/Fotozelle/Fotorresistencia/Photosistance/Fotoweerstand/Fotoresistência/Fotomodstand/Valovastus/Fotoresistens/Fotocell/
Fotokorka/Фоторeзистор/Fotoelektrick odpor/Fotoellenáls/Фоторезистор
TR=Termostato ventilatore/Fan thermostat/Ventilatorthermostat/Termostato ventilador/Thermostat ventilateur/Thermostaatventilator/Termostato do ventilador/Blæser
termostat/Tuulettimen termostaatti/Viftetermostat/Termostatäkt/Termostat wentylator/Tмостат вeнтилятора/Termostat ventitoru/Ventilátor termosztát/Термостат
вентилятора
M=Motore ventilatore/Fan/Ventilatormotor/Motor ventilador/Moteur ventilateur/Motorventilator/Motor do ventilador/Blæser motor/Moottorin tuuletin/Viftemotor/Fläktmotor/
Silnik wentylator/Мотро вeнтилятора/Motor ventilátoru/Ventilátor motor/Вентилятор
ST=Spia tensione/Power indicator/Spannungsanzeige/Luz indicadora tensión/Témoin de tension/Spanningsspion/Sinal de teno elétrica/Spænding kontrollampe/
nnitteen merkkivalo/Varsellampe, trykk/Indikeringslampa spänning/Wskaźnik napięcia/Индикатор напряжeния/Kontrolka napûtí/Feszültség jelzőlámpaндикатор
живлення
IN=Interruttore/Switch/Schalter/Interruptor/Interrupteur/Schakelaar/Kontakt/Katkaisija/Bryter/Brytarkontakt/Wyłącznik/Пeрeключать/Spínaã/Megszakító/Перемикач
TA=Presa termostato ambiente/Ambient therm. socket/Steckvorrichtung Raumthermostat/Toma termostato ambiente/Prise therm. ambiant/Aansluiting kamerthermostaat/
Tomada term. ambiente/Indvendig temperatur term. stik/Huoneenlämtermostaatin pistoke/Kontakt for romtermostaten/Uttag r extern term./Gniazdo termostatu
pokojowegoeтка тмостата вннeй срeды/suvka termostatu pro okolní ovzduší/rnyezeti levegő termoszt csatlakoніздо зовнішнього термостату
R=Re/Relay/Relais/Re/Relæ/Re/Przekaźnik/Peлe
DKO 972=Apparecchiatura di controllo/Control equipment/Steuergerät/Dispositivo de control/Appareillage de contrôle/Controle-instrument/Aparelhagem de controle/
Kontrolanordning/Valvontalaite/Kontrollapparat/Styrapparatur/Aparatura kontrolna/Контрoльныe приборы/Kontrolní zafiízení/Vezérlő szülékонтрольна панель
www.delpin.dk

Related product manuals