EasyManua.ls Logo

Master BV 77E - Page 135

Master BV 77E
143 pages
Print Icon
To Next Page IconTo Next Page
To Next Page IconTo Next Page
To Previous Page IconTo Previous Page
To Previous Page IconTo Previous Page
Loading...
en
it
de
es
fr
nl
pt
da
no
sv
pl
ru
cs
hu
sl
tr
hr
lt
lv
et
ro
sk
bg
uk
bs
el
zh
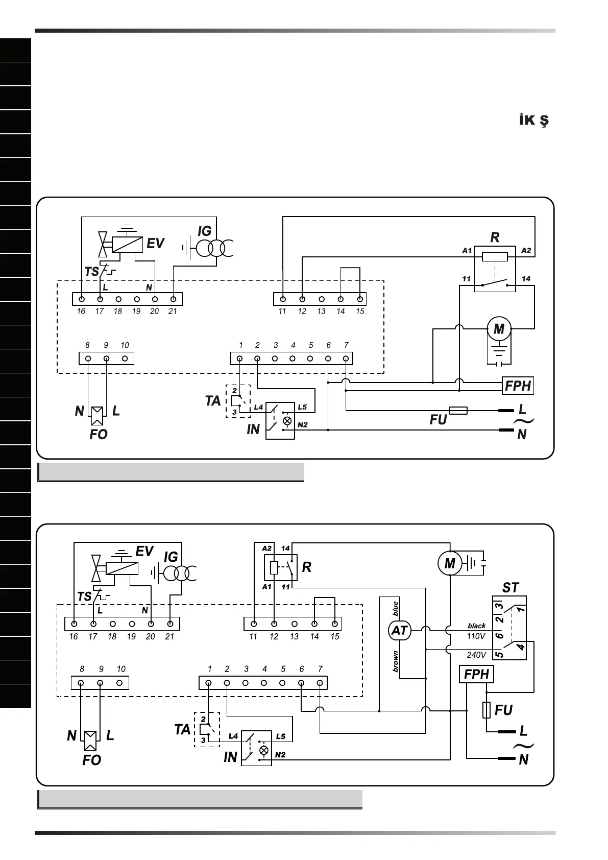
WIRING DIAGRAMS - SCHEMI ELETTRICI - SCHALTPLÄNE - ESQUEMAS
ELÉCTRICOS - SCHEMAS ELECTRIQUES - ELEKTRISCHE SCHEMA’S -
ESQUEMAS ELÉCTRICOS - ELEKTRISKE SKEMAER - SÄHKÖKAAVIOT
- KOPLINGSSKJEMA - ELEKTRISKA KOPPLINGSSCHEMAN - SCHEMA-KOPLINGSSKJEMA - ELEKTRISKA KOPPLINGSSCHEMAN - SCHEMA-ELEKTRISKA KOPPLINGSSCHEMAN - SCHEMA-SCHEMA-
-
MATA - VILLANYBEKÖTÉSI RAJZOK - 
EMALARI - 
SCHEME ELECTRICE - ELEKTRICKÉ SCHÉ-
MY - 
- 󴃯󵀟󱤮
B 230 - B 360 - BV 110E - BV 170E - BV 290E
B 230DV - B 360DV - BV 110DV - BV 170DV - BV 290DV

Other manuals for Master BV 77E

Related product manuals