EasyManua.ls Logo

MaxTech TH5C - Advanced Timing Modes and Specifications; Detailed Timing Mode Descriptions; Timer Dimensions; Terminal Arrangement

MaxTech TH5C
2 pages
Print Icon
To Previous Page IconTo Previous Page
To Previous Page IconTo Previous Page
Loading...
Timing starts when the start signal goes ON.
The control output is controlled using a
sustained or one-shot time period.
The start signal disables the timing function
(i.e.,same function as the gate input)
Timing starts when the start signal goes ON.
The start signal disables the timing function
(i.e.,same function as the gate input)
The control output is controlled using a
sustained or one-shot time period.
Timing starts when the start signal goes ON.
The status of the control output is reversed
when time is up (OFF at start)
While the start signal is ON, the timer starts
when the power comes ON or when the
reset input goes OFF.
Timing starts when the start signal goes ON.
The status of the control output is reversed
when time is up (OFF at start)
While the start signal is ON, the timer starts
when the power comes ON or when the
reset input goes OFF.
Timing starts when the start signal goes ON.
The status of the control output is reversed
when time is up (OFF at start)
While the start signal is ON, the timer starts
when the power comes ON or when the
reset input goes OFF.
Timing starts when the start signal goes
ON or OFF.
The status of the control output is ON when
the start signal goes ON or OFF.
The control output is ON when the start
signal is ON (except when the power is OFF
or the reset is ON).
Timing starts when the start signal comes ON.
The control output is reset when time is up.
While the start signal is ON, the timer starts
when the power comes ON or when the
reset input goes OFF.
Start signal enables timing
( timing is stopped when the start signal is
OFF or when the power is OFF)
A sustained control output is used.
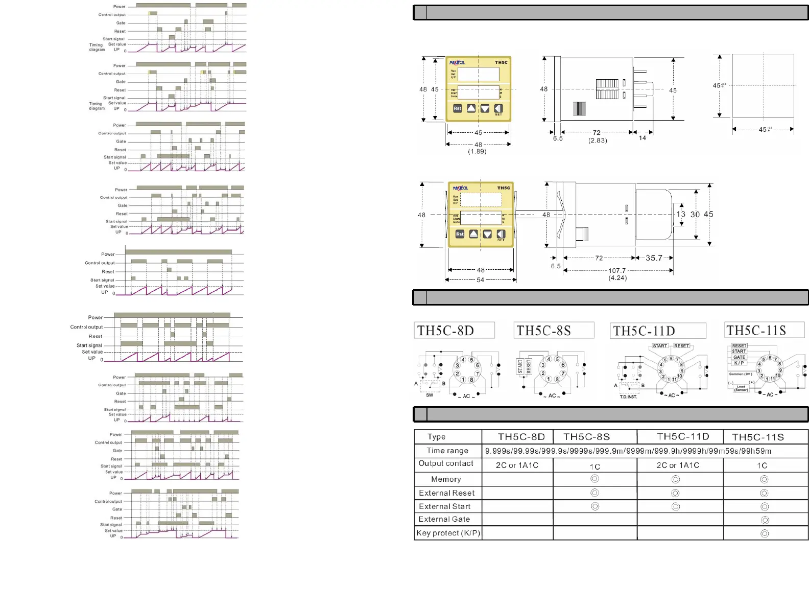
5 Dimensions
Y type ( Flush Mounting )Using Y48 Frame &US-08Socket
P3G-08 Socket or P3G-11 Socket ( for TH5C-11S/11D use only )
7 Type Selection
Unitmm ( inch )
N type ( Surface Mounting )Using P2CF-08,PF085A Socket or
PF113A Socket ( for TH5C-11S/11D use only )
6 Terminal Arrangement
Confirm that the power supply meets specifications before use.
Mode A3 :
Signal ON Delay
(Timer doe not resets
when power comes on)
Mode A2 :
Power ON Delay
(Timer resets when
power comes on)
Mode B :
Repeat Cycle 1
(Timer resets when
power comes on)
Output can be sustained
or one-shot.
Mode B1:
Repeat Cycle 2
(Timer does not reset
when power comes on)
Output can be sustained
or one-shot.
Mode D:
Signal OFF delay
(Timer resets when
power comes on)
Mode E:
Interval
(Timer resets when
power comes on)
Mode F:
Cumulative
(Timer does not reset
when power comes ON.)
Mode B2:
Repeat Cycle ON start
(Timer does not reset
when power comes on)
Output can be sustained
or one-shot.
Mode C:
Signal ON/OFF delay
(Timer reset when
power comes on)