EasyManua.ls Logo

Maxton UC1A - Page 18

Maxton UC1A
102 pages
Print Icon
To Next Page IconTo Next Page
To Next Page IconTo Next Page
To Previous Page IconTo Previous Page
To Previous Page IconTo Previous Page
Loading...
1728 Orbit Way - Minden, Nevada 89423 P: 775-782-1700 F: 775-782-1701 info@maxtonvalve.com www.maxtonvalve.com
18
\\SERVER\CATALOG2019\2019CatalogRev2
THE INFORMATION PRESENTED HEREIN IS FOR THE USE BY SKILLED HYDRAULIC ELEVATOR PROFESSIONALS
UC2 – UC2A CONTROLLERS ONLY
The UC2 – UC2A is down speed regulated to provide a constant rate of speed in the down direction, regardless of varying loads.
Speed will not vary more than five percent. To adjust UC2 – UC2A follow the same procedure used in adjusting the UC1 / UC1A
with the following exceptions.
The Balance Adjuster (BA) located on the side of the bottom closure is factory set.
Systems with operating pressure LESS than 175 psi when Systems with operating pressure MORE than
The car is traveling down empty. 175 psi when car is traveling down empty.
The DOWN SPEED REGULATOR (DSR) adjuster is located on (1) Turn DOWN SPEED REGULATOR (DSR) adjuster IN
the side of the bottom closure next to the BA adjuster. (CW) to stop then back out (CCW) two full turns.
(1) Turn DSR in (CW) to stop at the start of the down section (2) Following the Regulator adjustment procedure, adjust
the adjustment. Set the down speed 10% higher than normal, down section as instructed.
with no load on the elevator, then adjust the down direction in the
normal manner.
(2) After the down section has been adjusted completely, and the
unloaded car is operating 10% above its rated or normal speed,
turn the DSR adjuster OUT (CCW) to slow the car to its normal
operating speed.
ATTENTION: All Maxton Valves MUST be installed with the solenoids in the upright (vertical position).
Prior to 2012 the sleeve and baseplate were an integral part of coil operation.
2012 to current the C-Frame is an integral part of coil operation.
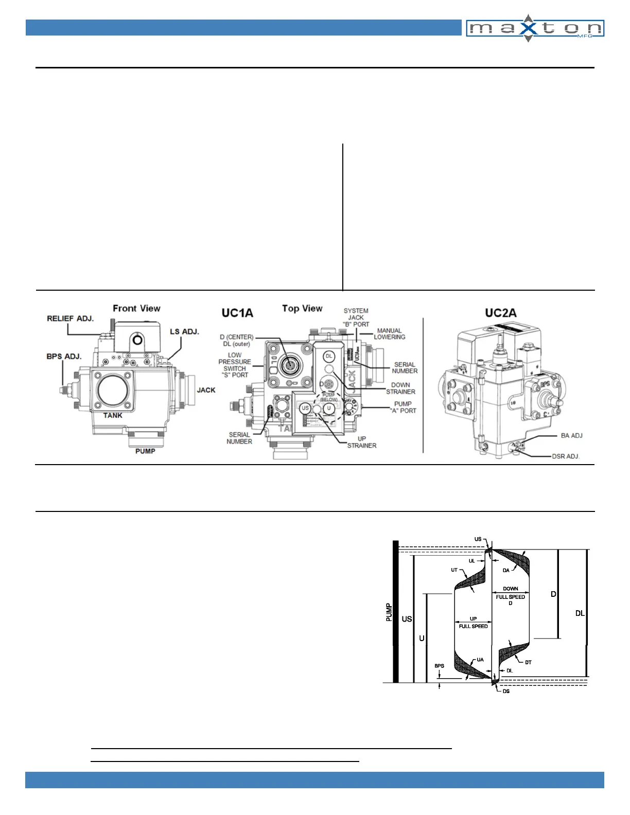
COIL OPERATING SEQUENCE
US For up travel, energize when pump starts and de-energize to stop. With US
energized and pump running, car will move up at leveling speed. For “soft stop”,
pump should run ½ second after US de-energizes.
U Energize with US coil to run up at contract speed. De-energize at slowdown
distance from floor. Slowdown distance = 2 inches for each 10 fpm of car
speed NOT to exceed 6 inches for every 25 fpm of car speed.
If necessary increase slowdown distance to achieve 4-6 inches
of stabilized up leveling.
DL Energize to move car at leveling speed. De-energize to stop.
D Energize with DL coil to run down at contract speed. De-energize at slowdown
distance from floor. Slowdown distance = 2 inches for each 10 fpm of car
speed NOT to exceed 6 inches for every 25 fpm of car speed.
If necessary increase slowdown distance to achieve 4-6 inches
of stabilized down leveling.
ELECTRO-MAGNETIC COILS
U = UP COIL D = DOWN COIL
US = UP STOP COIL DL = DOWN LEVEL COIL
CAUTION: On Wye - Delta Up Start do not energize U and US Coils until motor is running on Delta.
With soft starter, energized US coil with motor up to speed signal.
ADJUSTMENT PROCEDURE UC1, UC1A, UC2, UC2A B44