EasyManua.ls Logo

Maxton UC1A - OVERSPEED VALVE (PIPE RUPTURE; SHUT OFF VALVE); ADJUSTMENT PROCEDURES; INITIAL SETTINGS; FULL LOAD TEST PROCEDURE

Maxton UC1A
102 pages
Print Icon
To Next Page IconTo Next Page
To Next Page IconTo Next Page
To Previous Page IconTo Previous Page
To Previous Page IconTo Previous Page
Loading...
1728 Orbit Way - Minden, Nevada 89423 P: 775-782-1700 F: 775-782-1701 info@maxtonvalve.com www.maxtonvalve.com
70
\\SERVER\CATALOG2019\2019CatalogRev2
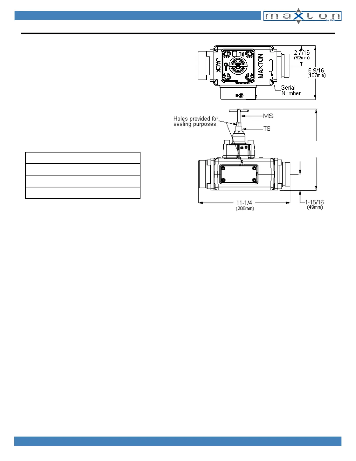
Front View
10-1/8
(257mm)
THE INFORMATION CONTAINED HEREIN IS FOR USE BY SKILLED HYDRAULIC ELEVATOR PROFESSIONALS
NOTE: To achieve accurate settings, OSV adjustments should be conducted with a fully loaded car.
Whenever possible, run car to an intermediate floor during adjustments and tests. It may be advisable to
adjust for a slightly faster down transition to insure floor stop.
ADJUSTMENT PROCEDURES
1. Set car speed by opening the Down Valve (main control valve) or increase the load to achieve contract down
speed +25% (contract speed = full down speed with rated load).
2. Return car to the upper floor; Verify tripping flow on the PRECALCULATED TRIPPING FLOW TABLE. Turn TS
in (CW) the number of turns indicated on the TRIPPING SPEED PRESET GRAPH. Exit the pit and register a
down call. Minor Adjustment may be needed for final tripping speed. Lock jam nut.
If piston diameter is unknown, turn TS in (CW) one turn. Exit the pit and register a down call. Repeat this
procedure until the valve actuates. Lock jam nut.
3. Return the car to the upper floor, turn CR in (CW) three turns initially. Exit the pit and register a down call.
Repeat this procedure using one-turn increments to obtain a comfortable, firm stop.
4. Seal adjustments TS and CR as required by local code.
5. Adjust the down valve and down transition back to normal settings (contract speed = full down speed with rated
load).
CAUTION
Never adjust the OSV while the car is in
motion. (Stay out of the pit when the car is
running.)
Manual shut off (MS) must be fully open
(CCW) during normal operation.
When utilizing the OSV as a pit valve, turn
Manual Shut Off in (CW) to stop.
Once tripped or after opening the Manual
Shut Off, the OSV must be reset to a normal
open position by making an up run.
Maxton recommends the OSV have a
threaded connection to the jack.
INITIAL SETTINGS
TS TRIPPING SPEED OUT (CCW) to stop.
CR CLOSING RATE OUT (CCW) to stop.
MS MANUAL SHUT OFF OUT (CCW) to stop.
Top View
(SEENOTEABOVE)
FULLLOADTESTPROCEDURE
1. Load car to rated capacity.
2. Increase down speed in accordance with Main Control Valve's manufacturer’s instructions until rupture valve sets.
3. Verify rupture valve set within range permitted by local code.
4. Verify adjustments are sealed on rupture valve.
5. Return Main control valve to operational settings.
OVERSPEED VALVE (PIPE RUPTURE / SHUT OFF VALVE)