EasyManua.ls Logo

McFarlane Reel Disk 4100 Series - Page 95

McFarlane Reel Disk 4100 Series
100 pages
Print Icon
To Next Page IconTo Next Page
To Next Page IconTo Next Page
To Previous Page IconTo Previous Page
To Previous Page IconTo Previous Page
Loading...
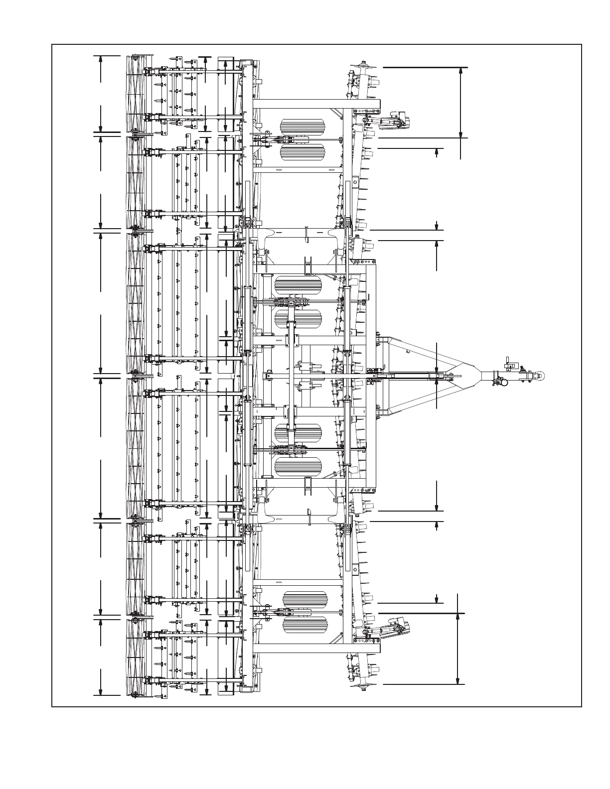
  5HHO'LVNIURP0F)DUODQH0IJ
/D\RXW'LDJUDPIRU5'
14 BLADE 14 BLADE
4866
51
62
526396
66
95
4866
95
96
66
62
6352
48
51
FA-500-3 FA-600-3
FA-900-3
FA-900-3
FA-600-3
FA-500-3
8 BLADE
9 BLADE 9 BLADE
8 BLADE

Related product manuals