EasyManua.ls Logo

McIntosh MTI100 - Input Knob; Volume Knob; About Those Tubes; Turntable Maintenance

McIntosh MTI100
30 pages
To Next Page IconTo Next Page
To Next Page IconTo Next Page
To Previous Page IconTo Previous Page
To Previous Page IconTo Previous Page
Loading...
MTI100
13 14
.1µF
C 27
.1µF
C 24
.01µFC25
10 µF
C 26
+3 .3V BU S
3 32
R 31
3 32
R 32
TO MICRO
USB TYPE B
BRIDGE INTERFACE USB-UART
L4
.1µF
C 28
SL EEP
12
T X DEN
13
DCD
10
GN D 7
7
NC
8
RX D
5
DT R
2
RT S
3
3.3V
17
USBD N
16
RE SET
19
RX LED
22
GN D 21
21
N C
24
OSC I
27
T E ST
26
DSR
9
CT S
11
PRWE N
14
T X D
1
VCC IO
4
RI
6
V CC
20
GN D 18
18
USBD P
15
OSC O
28
A G N D
25
T X LED
23
U5
6
4
2
3
5
1
PWR
D-
D+
GND
CASE
CASE
J7
J1 3:1
J1 3:2
J1 3:3
J1 3:5
J1 3:4
+3 ,3V BU
D GN D
TO TXD (MICRO/ BLUETOOTH)
TO RESET (MICRO)
TO RXD (MICRO/ BLUETOOTH )
6-3 2
G P3
6-3 2
GP4
O PEN
C39
OPEN
C40
OPEN
C41
2a
2a
2a
2a
2a
TO C TS (BLUETOOTH )
TO R TS (BLUETOOTH )
1
2
3
4
5
6
7
S3
J1 7:1
J1 7:2
J1 7:3
J1 7:4
J1 7:5
TO BLUETO OTH
T X D
RXD
RXD MICRO
RXD BLU E
T X D MICRO
TXD BLU E
TO MICRO TO BLUETOOTH
D GN D
UART SWITCH
3
3
3
3
3
.1µF
C 11
T X D
RXD
RXD MICRO
RXD BLU E
1k
R52
1k
R70
T X D MICRO
T X D BLU E
COM3
9
N O3
10
NC3
11
COM4
12
N O4
13
NC4
14
EN
15
V +
16
IN
1
NC1
2
NO1
3
CO M1
4
NC2
5
NO 2
6
CO M2
7
GN D
8
U9
.1µF
C 42
RST
RST
RST MICRO
RST MICRO
10 k
R 73
10 k
R 72
+3 .3V BU S
+3 .3V BU S
+3 .3V BU S
+3 .3V BU S
R
4
3
D S7 :1
G
5
2
D S7 :2
B
6
1
D S7 :3
4 7.5 k
R 33
1 k
R 75
2 70
R 76
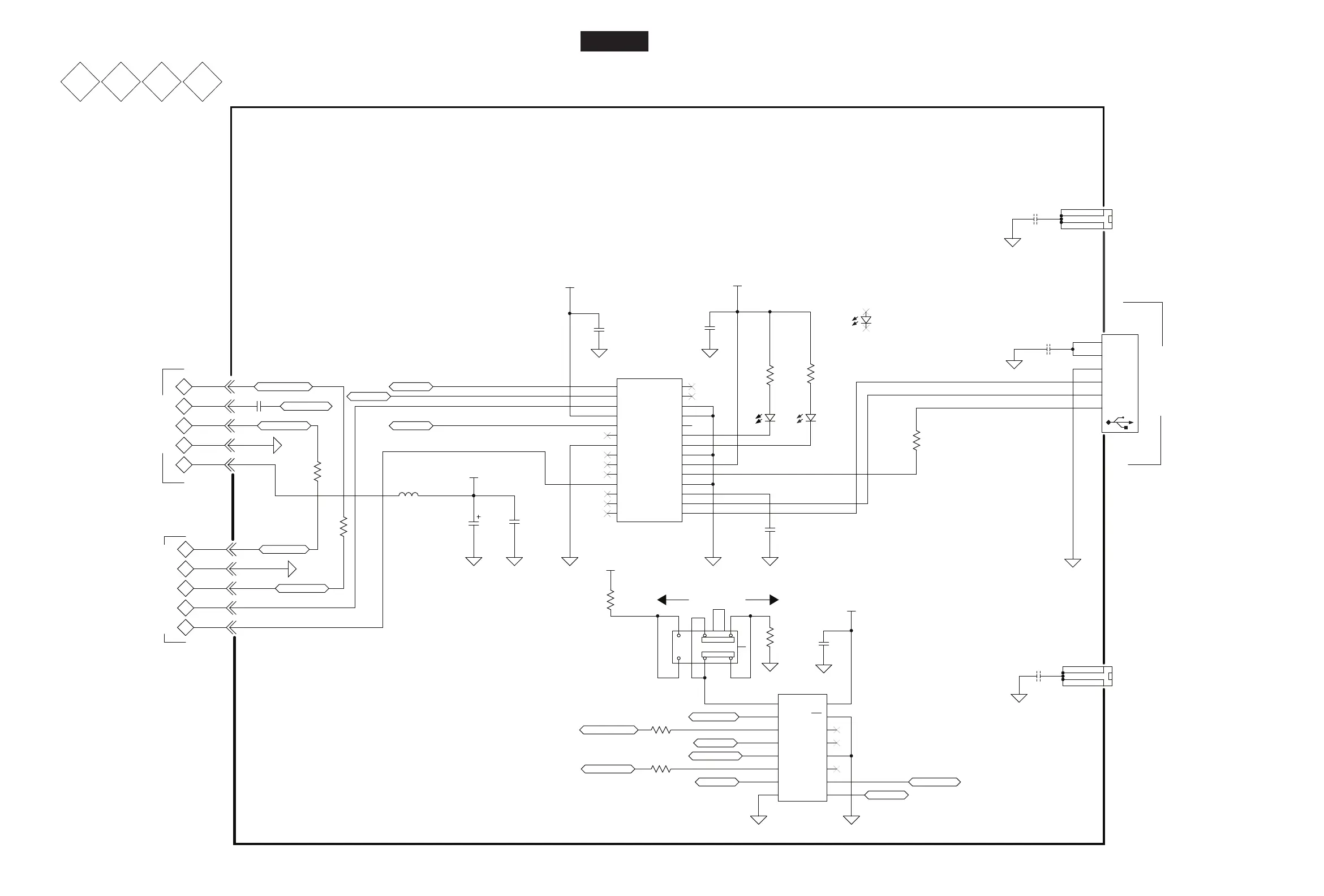
(CONTROL, SENSOR/HP, TERMINAL, USB) 752183 SCH 3 of 3
2a 2b 2c 2d

Other manuals for McIntosh MTI100

Related product manuals