EasyManua.ls Logo

McQuay MMC150C - Page 64

McQuay MMC150C
163 pages
Print Icon
To Next Page IconTo Next Page
To Next Page IconTo Next Page
To Previous Page IconTo Previous Page
To Previous Page IconTo Previous Page
Loading...
63
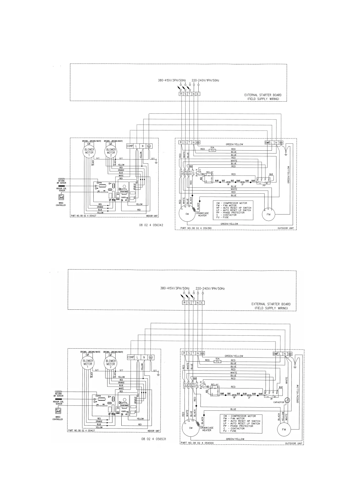
MODEL : INDOOR - MDB 075B (WITH U1.4 CCT SLM3 HANDSET)
OUTDOOR – MMC 075B (WITH PHASE PROTECTOR/AUTO RESET HI/LO
PRESSURE SWITCH)
MODEL : INDOOR - MDB 075B (WITH U1.4 CCT SLM3 HANDSET)
OUTDOOR – MMC 075C (WITH PHASE PROTECTOR/AUTO RESET HI/LO
PRESSURE SWITCH)

Related product manuals