EasyManua.ls Logo

MCS Master DHP 45 - Page 62

MCS Master DHP 45
72 pages
Print Icon
To Next Page IconTo Next Page
To Next Page IconTo Next Page
To Previous Page IconTo Previous Page
To Previous Page IconTo Previous Page
Loading...
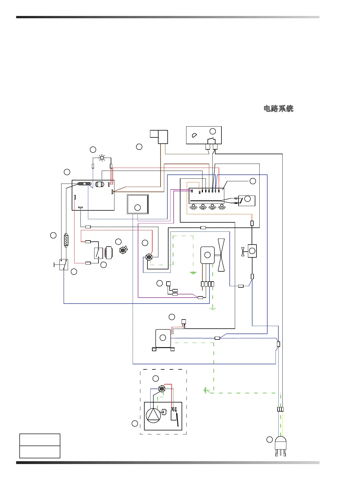
ELECTRIC SYSTEM - IMPIANTO ELETTRICO - ELEKTRISCHE ANLAGE
- INSTALACIÓN ELÉCTRICA - INSTALLATION ELECTRIQUE - ELEKTRI-
SCHE INSTALLATIE - SISTEMA ELÉTRICO - EL-ANLÆG - SÄHKÖLAIT-
TEISTO - ELEKTRISK ANLEGG - ELANORDNING - INSTALACJA
ELEKTRYCZNA - ЭЛЕКТРОПРОВОДКА - ELEKTRICKÉ ZAŘÍZENÍ - ELEKT-
ROMOS RENDSZER - ELEKTRIČNA NAPELJAVA - ELEKTRİK TESİSATI
- ELEKTRIČNI UREĐAJ - ELEKTROS SISTEMA - ELEKTRISKĀ SISTĒMA
- ELEKTRISÜSTEEM - INSTALAŢIA ELECTRICĂ - ELEKTRICKÉ ZARIADE-
NIE - ЕЛЕКТРИЧЕСКА ИНСТАЛАЦИЯ - ЕЛЕКТРИЧНЕ ОБЛАДНАННЯ -
ELEKTRIČNI UREĐAJ - ΗΛΕΚΤΡΙΚΗ ΕΓΚΑΤΑΣΤΑΣΗ -
󳝥󵀟󳼫󴄏
VALVE
TERMOST.
BLUE
MOTORFAN
COMPRESSOR
ELECTRO
BLACK
ELECTRONIC CARD
2 F1
3 ACL
5 LE2
6 LE1
4 LE3
1 ACN
M1(ev)
M2(fan)
1
6
3
7
RED
4
BLUE
COMPRESSOR
CAPACITOR
BROWN
BLUE
PURPLE
Float
F4
AC-N
F6
AC-L
L out B2
L out B1
L out A1
F7
F5
F3
F2
F1
C
1
2
RED
GREY
FLOAT
Input
HOUR
COUNTER
8
1
6
5
4
3
2
COM
NC
NO
RED
GREY
1
6
5
4
3
2
BLUE
BLACK
2
9
10
11
13
17
18
19
5
HUMIDISTAT
TANK FULL
FLOAT PCB
FLOAT SENSOR
12
FAN SPEED SWITCH
RESISTOR
20
PUMP
SOCKET
FAN
CAPACITOR
PUMP
PLUG
PUMP
CONNECTION
REMOTE
DEHUMIDISTAT
21
3
2
RED
PURPLE
BLUE
BLACK
BLUE
BLUE
BROWN
BROWN
RED
ORANGE
BLUE
BLACK
120V
BLACK
BROWN
15
22
VOLTAGE
SWITCH
TRAFO
14
POWER
CORD
BROWN
240V
0V
BLUE
BLACK
WHITE
1
6
5
4
3
2
BRIDGE
PLUG
16
VALVE
TERMOST.
BLUE
MOTORFAN
COMPRESSOR
ELECTRO
BLACK
ELECTRONIC CARD
2 F1
3 ACL
5 LE2
6 LE1
4 LE3
1 ACN
M1(ev)
M2(fan)
1
6
3
7
RED
4
BLUE
COMPRESSOR
CAPACITOR
BROWN
BLUE
PURPLE
Float
F4
AC-N
F6
AC-L
L out B2
L out B1
L out A1
F7
F5
F3
F2
F1
C
1
2
RED
GREY
FLOAT
Input
HOUR
COUNTER
8
1
6
5
4
3
2
COM
NC
NO
RED
GREY
1
6
5
4
3
2
BLUE
BLACK
2
9
10
11
13
17
18
19
5
HUMIDISTAT
TANK FULL
FLOAT PCB
FLOAT SENSOR
12
FAN SPEED SWITCH
RESISTOR
20
PUMP
SOCKET
FAN
CAPACITOR
PUMP
PLUG
PUMP
CONNECTION
REMOTE
DEHUMIDISTAT
21
3
2
14
POWER
CORD
RED
PURPLE
BLUE
BLACK
BLUE
BLUE
BLACK
BROWN
BROWN
RED
ORANGE
BLUE
BLACK
WHITE
1
6
5
4
3
2
BRIDGE
PLUG
16
DHP 45
DHP 65
Интернет-магазин «Мистер Климат»
Тел. 8-800-5555-710
www.mrklimat.ru