EasyManua.ls Logo

MECNOSUD MX Series - Page 116

MECNOSUD MX Series
Print Icon
To Next Page IconTo Next Page
To Next Page IconTo Next Page
To Previous Page IconTo Previous Page
To Previous Page IconTo Previous Page
Loading...
116
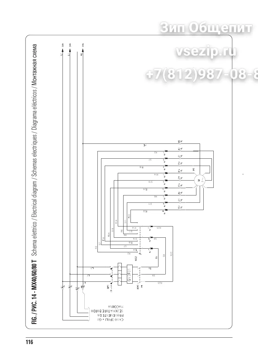
FIG. /
РИС.
14 - MX40/60/80 T Schema elettrico / Electrical diagram / Schemas electriques / Diagrama eléctricos /
Монтажная схема

Related product manuals