EasyManua.ls Logo

Merax MS282322 - Page 8

Merax MS282322
Print Icon
To Next Page IconTo Next Page
To Next Page IconTo Next Page
To Previous Page IconTo Previous Page
To Previous Page IconTo Previous Page
Loading...
02030405060709
10
111213
1415161718
19
2021222324252627
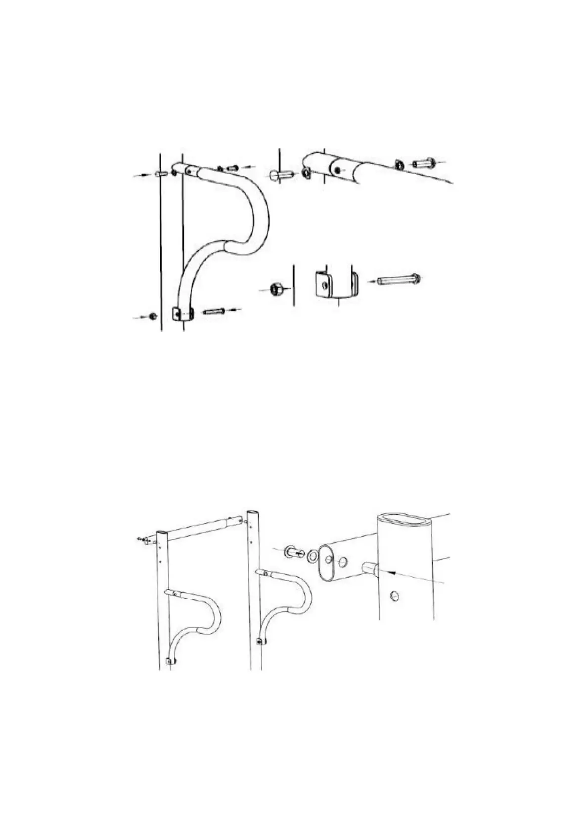
Stap 6: Installeer parallelle staven
1) Gatenuitlijning, bovenaan bevestigen met M6 * 20-schroef, boogafdichting plaatsen, met
M6 * 15-zeskantschroefbevestiging
2) Onderste uiteinde bevestigd met M8 * 40 zeskantschroef door M8-moer
Stap 7: Installeer de rugleuninghendel
1) De maat van het binnen- en buitengat van de rugleuningbuis komen niet overeen, het grote gat
is naar binnen gemonteerd, met M8*15 halfronde schroeven in de bevestiging

Related product manuals