EasyManua.ls Logo

MFJ MFJ-401B - Code Generation Modes

MFJ MFJ-401B
3 pages
Print Icon
To Previous Page IconTo Previous Page
To Previous Page IconTo Previous Page
Loading...
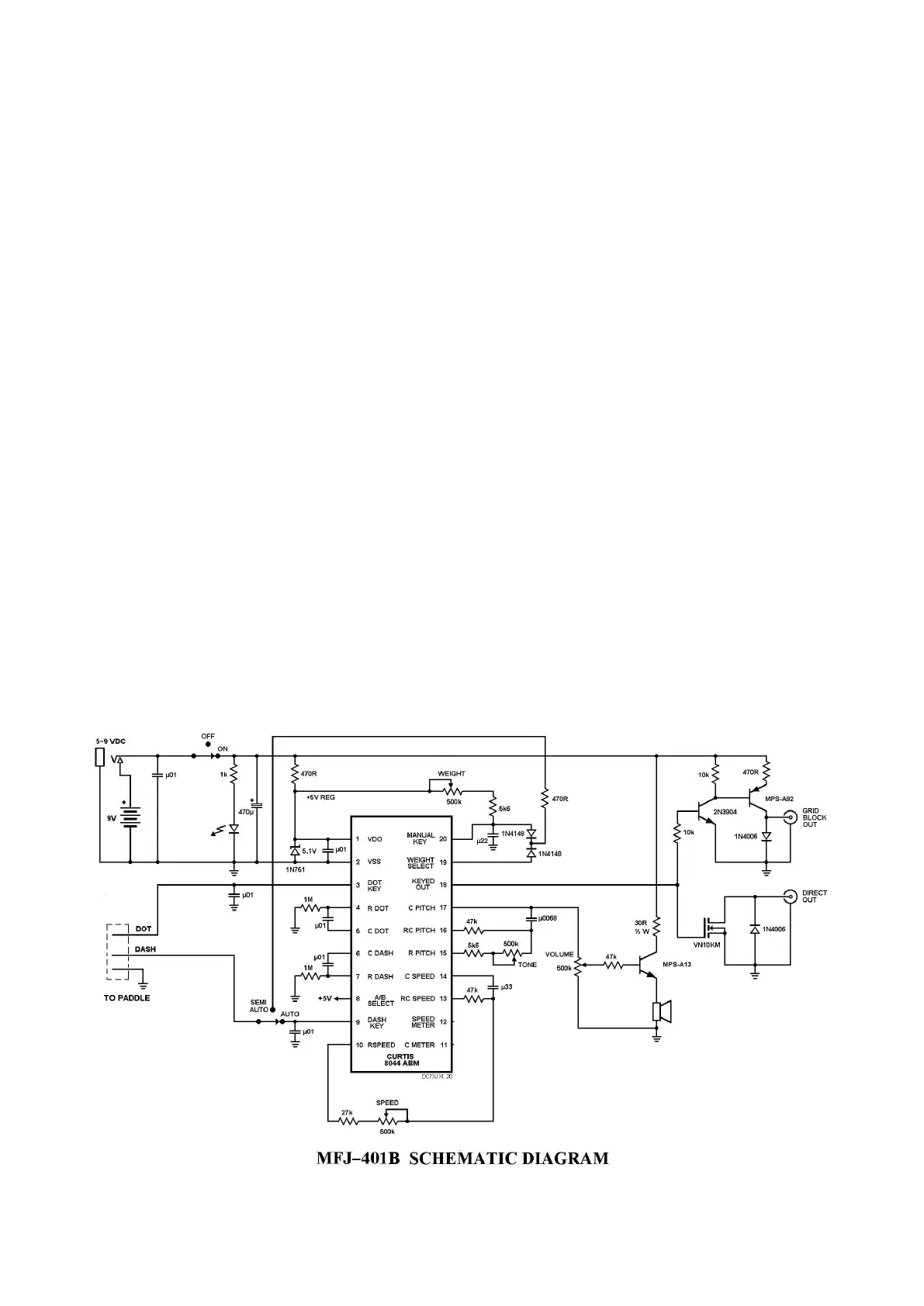
The code weight has been preset at the factory to a 1:3:1 level. However, the internal weight
control may be adjusted by inserting a small screwdriver into the hole on the side of the casing.
this hole is found toward the front of the keyer.
Choose either automatic or semi-automatic code generation.
The keyer is in the semi-automatic mode, the "bug" operation, when the "auto/semi-auto" switch
is in the
in
position. This mode generates dots automatically when the dot key is held in. Dashes
must be manually generated and terminated in this mode.
Note: When the dash key is held in dur-
ing the semi-automatic mode, the keyer will continually key the transmitter for tuning
.
The keyer is in automatic mode when the "auto/semi-auto" switch is in the
out
position. This
mode generates either dots or dashes automatically, when their respective keys are held. While
the dash key is held and dashes are being automatically generated, a dot may be inserted by tap-
ping the dot key while continuing to hold the dash key. Dashes are inserted into repeating dots in
the same manner. Automatic mode also makes use of dot memory and dash memory.
The dot memory and dash memory each allow faster keying by automatically finishing a sequence
of alternating dots and dashes. To use this feature, first press and hold one of the paddle keys,
and then tap the other key. Release both keys simultaneously. This procedure will generate a
three-part dot and dash sequence. If neither paddle key is released, the keyer will continue to gen-
erate an alternating sequence of dots and dashes until the keys are released.
Ex: To generate a
"K," or "dah-dit-dah,", press and hold the dash key, tap the dot key, and release both keys at the
same time.
Experiment to determine the exact paddle key strokes needed to perform this opera-
tion.

Related product manuals