EasyManua.ls Logo

Midea DLCMB - Page 17

Midea DLCMB
110 pages
Print Icon
To Next Page IconTo Next Page
To Next Page IconTo Next Page
To Previous Page IconTo Previous Page
To Previous Page IconTo Previous Page
Loading...
CN1
BLUE
XT1
Y/G
RED
BLACK
CN3
P5
Y/G
P6
Y/G
CN2
CT1
CN4
RED
BLACK
RED
BLACK
CN2
CN3
IPM&PFC BOARD
U
V
W
RED
BLACK
W
V
U
COMP
CN9
10
CN6
CN8
CN5
3
3
CN8
DCFAN1 DCFAN2
TP
CN9
T3
T4
OUTLET
INDOOR COIL
TEMP.SENSOR
EDC
B
A
T2B-E D C B A
CN11
CN14
CN10
H-PRO
L-PRO
CN15
A
CN23
B
CN26
C
CN30
D
CN33
E
CN38
F
6
6
6
6
BLACK
6
6
CN1-3
CN1-2
ELECTRONIC EXPANSION VALVE A
ELECTRONIC EXPANSION VALVE B
ELECTRONIC EXPANSION VALVE C
ELECTRONIC EXPANSION VALVE D
ELECTRONIC EXPANSION VALVE E
MAIN CIRCUIT ELECTRONIC EXPANSION VALVE F
CN1-1
BLUE
BROWN
CN4
A
EEV
3
CN7
S-F
CN17
CN18
6
ELECTRONIC EXPANSION VALVE G
BLUE
BLUE
1(A)
2(A)
3(A)
1(B)
2(B)
3(B)
RED
BLACK
RED
CN24
4-WAY
SV
CN25
RED
HEAT_Y
BLACK
WHITE
CN19
CN20
HEAT_D
XT3
MAIN POWER SUPPLY
Outdoor main Controller
XT2
TO C
1(C)
2(C)
3(C)1(D) 2(D)
3(D)
TO D
1(E)
2(E) 3(E)
TO E
YELLOW
COMP TOP
RED
L1 L2
CN21
CN16
S-C
CN13
S-D
S-E
TO A
TO B
CN37
CN29
S-A
S-B
3
3
3
3
3
BROWN
BLUE
BLACK
BROWN
BLUE
BLACK
BROWN
BLUE
BLACK
BROWN
BLUE
BLACK
BROWN
BLUE
BLACK
P9
Y/G
OPTIONAL
Applicable to the units adopting
Enhanced Vapor Injection only
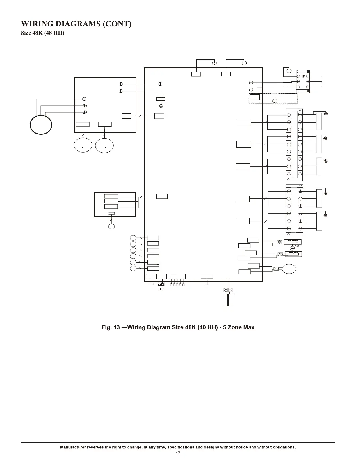
DLCM(R/H)B: Service Manual

Related product manuals