EasyManua.ls Logo

Midea KJRM-120H2/BMWKO-E

Midea KJRM-120H2/BMWKO-E
56 pages
To Next Page IconTo Next Page
To Next Page IconTo Next Page
To Previous Page IconTo Previous Page
To Previous Page IconTo Previous Page
Loading...
4
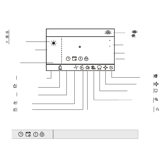
2 Overview of Wired Controller
12/04/2019 MON 10:35A
HEAT
ON
45%60%
TWTWS
TSF
ONLINE 16
ERRORE 1
40
C
60
50
7
C
C
Heating mode
Cooling mode
DHW mode
COOL (FC:COMP/MIX/FC) /
HEAT/
DHW (DISPLAY ONLY IN
SINGLE PUMP)
Units
operating
Compressor operating
usage rate
45%
Compressor
operating
HP:No icon
CO:
FC:
Set temperature
Number of parallel units
Current ERROR
Monitor wired
controller icon
Anti-freezing or
manual defrost on
Fan operating
usage rate
60%
Fan on
Water
pump on
Sjlent
mode on
Centralized control
access of network
External electric
heater on
Set temperature:
TWS/T5S:SETTING TEMPERATURE;TW:TOTAL OUTLET WATER TEMPERATURE,
T5:TANK TEMPERATURE;TSF:SAFE TEMPERATURE;
7
DAILY TIMER / WEEKLY SCHEDULE / ERROR / LOCK