EasyManua.ls Logo

Midea MCD-24HRFN1-M(C) - Page 55

Midea MCD-24HRFN1-M(C)
247 pages
Print Icon
To Next Page IconTo Next Page
To Next Page IconTo Next Page
To Previous Page IconTo Previous Page
To Previous Page IconTo Previous Page
Loading...
52
MTIU-09HWFN1-M, MTIU-12HWFN1-M, MTIU-18HWFN1-M, MTIU-24HWFN1-M, MTI-36HWFN1-M ,
MTI-48HWFN1-M, MHG-60HWFN1-MW
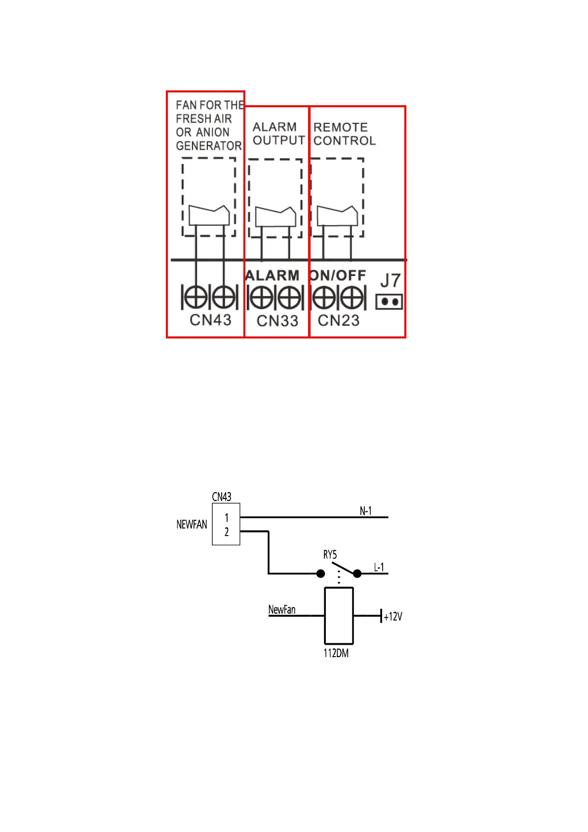
A. For new fresh motor terminal port (also for Anion generator) CN43:
1. Connect the fan motor to the port, no need care L/N of the motor;
2. The output voltage is the power supply;
3. The fresh motor cannot excess 200W or 1A, follow the smaller one;
4. The new fresh motor will be worked when the indoor fan motor work; when the indoor fan motor
stops, the new fresh motor would be stopped;
5. When the unit enter force cooling mode or capacity testing mode, the fresh motor isn’t work.
A
B
C

Table of Contents

Related product manuals