EasyManua.ls Logo

Midea MCD-24HRFN1-M(C) - Page 79

Midea MCD-24HRFN1-M(C)
247 pages
Print Icon
To Next Page IconTo Next Page
To Next Page IconTo Next Page
To Previous Page IconTo Previous Page
To Previous Page IconTo Previous Page
Loading...
76
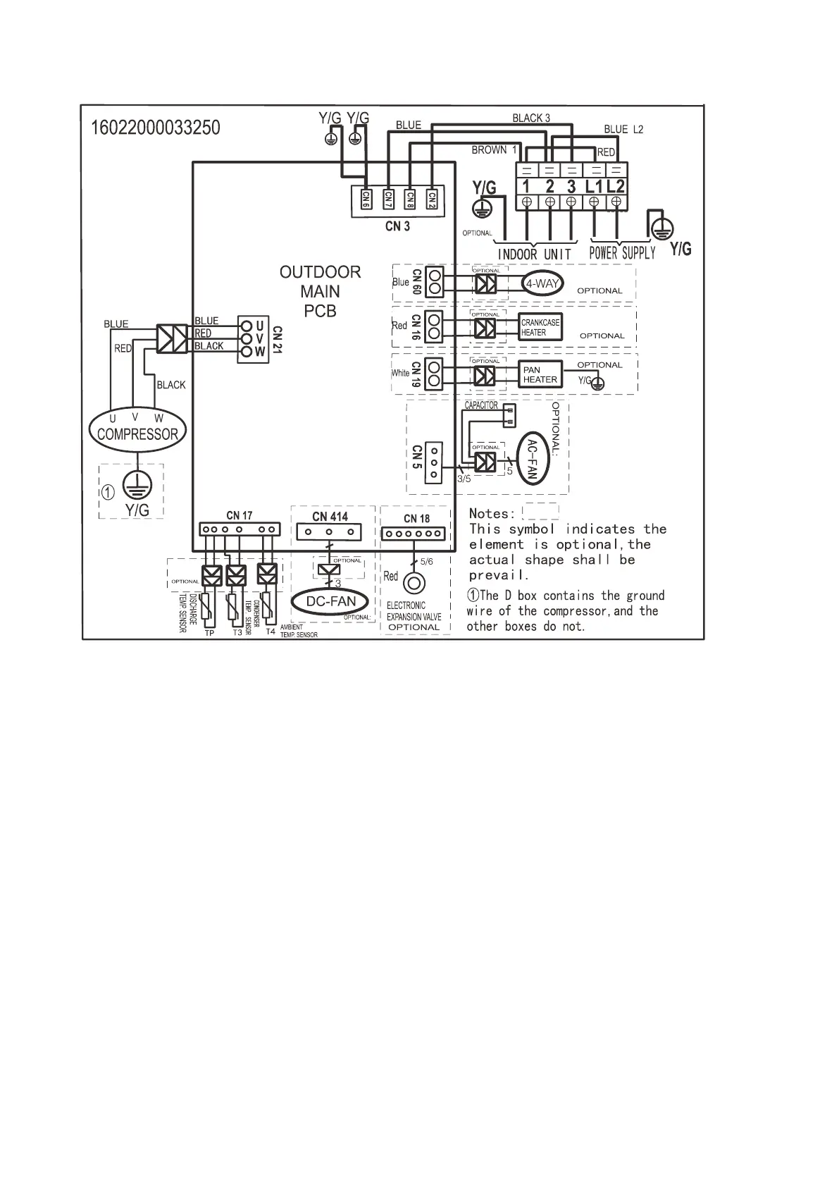
MOX430-17HFN1-MT0W, MOD33-24HFN1-MT0W

Table of Contents

Related product manuals