EasyManua.ls Logo

Midea MKG-400-C - Page 28

Midea MKG-400-C
64 pages
Print Icon
To Next Page IconTo Next Page
To Next Page IconTo Next Page
To Previous Page IconTo Previous Page
To Previous Page IconTo Previous Page
Loading...
AC Fan Coil Unit Two-pipe Wall-mounted Series
- 27 -
put anything else in the box.
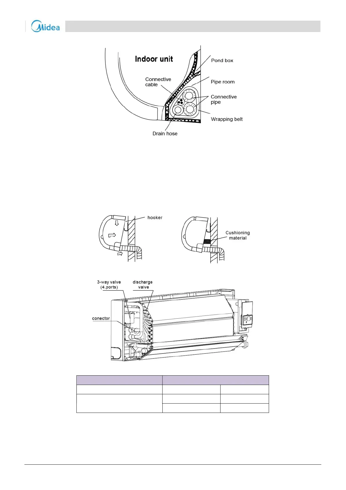
12.4.4 Indoor Unit Installation
Pass the piping through the hole in the wall.
Put the claw at the back of the indoor unit on the hook of the installation board, move the Indoor Unit from side to
side to see that it is securely hooked.
Piping can easily be made by lifting the indoor unit with a cushioning material between the indoor unit and the
wall. Get it out after finish piping.
Push the lower part of the Indoor Unit up to the wall, then move the Indoor Unit from side to side, up and down to
check if it is hooked securely.
12.5 Water Pipe Installation
Material and Size of the Piping
Pipe material Copper Pipe for Air Conditioner
Model 250/300/400 500/600
Coil connections (flat plate)
3/4” 3/4”
3/4” 3/4”
Connection of the water pipe should be done by professionals. Double-span should be used when connecting pipes
of Indoor Unit.

Related product manuals