EasyManua.ls Logo

Midea MOBA30U-18CN1-Q - Wiring Diagrams

Midea MOBA30U-18CN1-Q
264 pages
To Next Page IconTo Next Page
To Next Page IconTo Next Page
To Previous Page IconTo Previous Page
To Previous Page IconTo Previous Page
Loading...
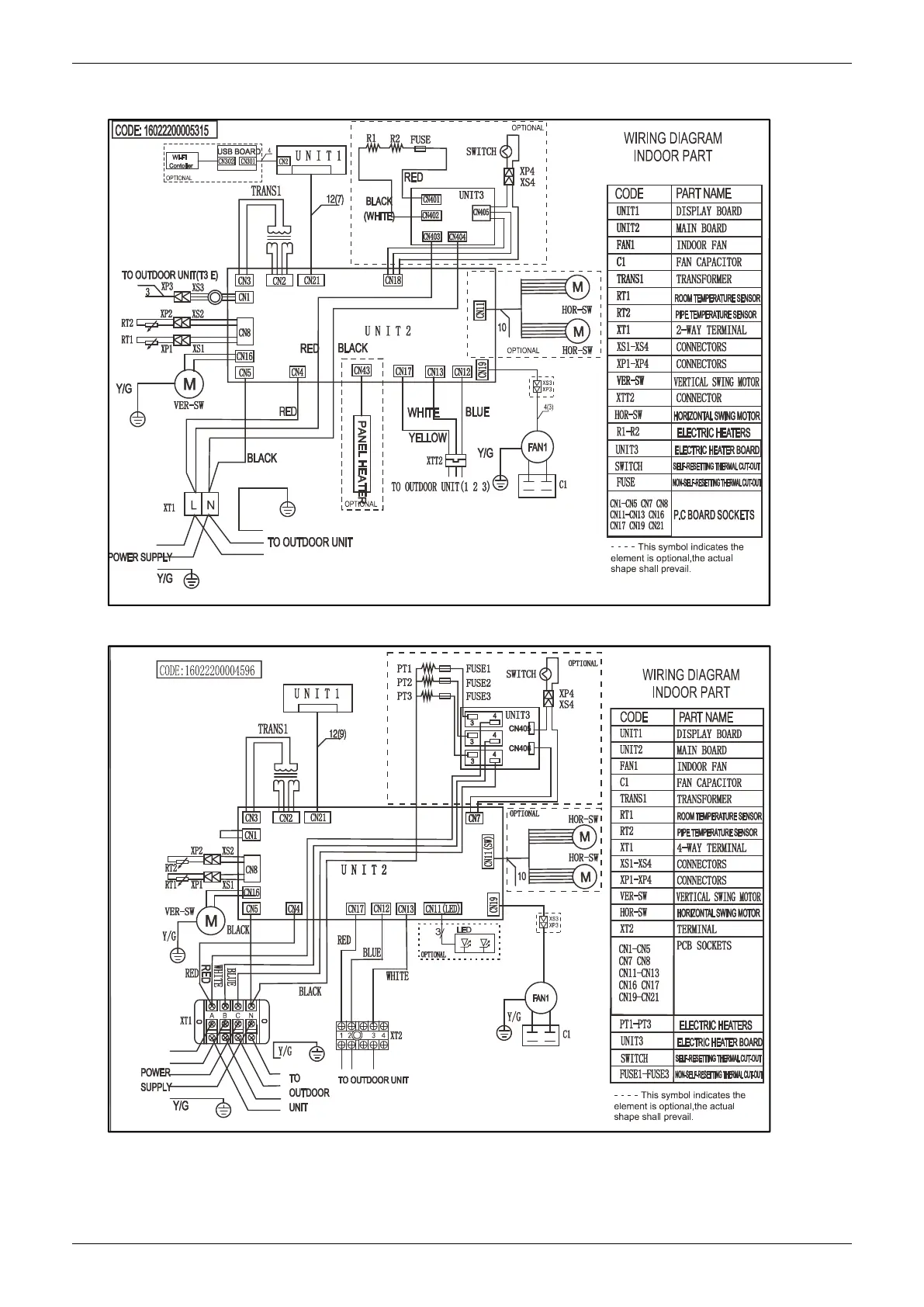
Wiring Diagrams
S4 Floor-standing Type 151
4. Wiring Diagrams
MFS4-24ARN1-Q
MFS4-48ARN1-R
MFS4-24CRN1-QB8

Table of Contents

Related product manuals