EasyManua.ls Logo

Minuteman 957732 - Wiring Diagram; Parts List for 24 Volt Battery Charger

Minuteman 957732
6 pages
Print Icon
To Next Page IconTo Next Page
To Next Page IconTo Next Page
To Previous Page IconTo Previous Page
To Previous Page IconTo Previous Page
Loading...
Operating Instructions 5 01367F
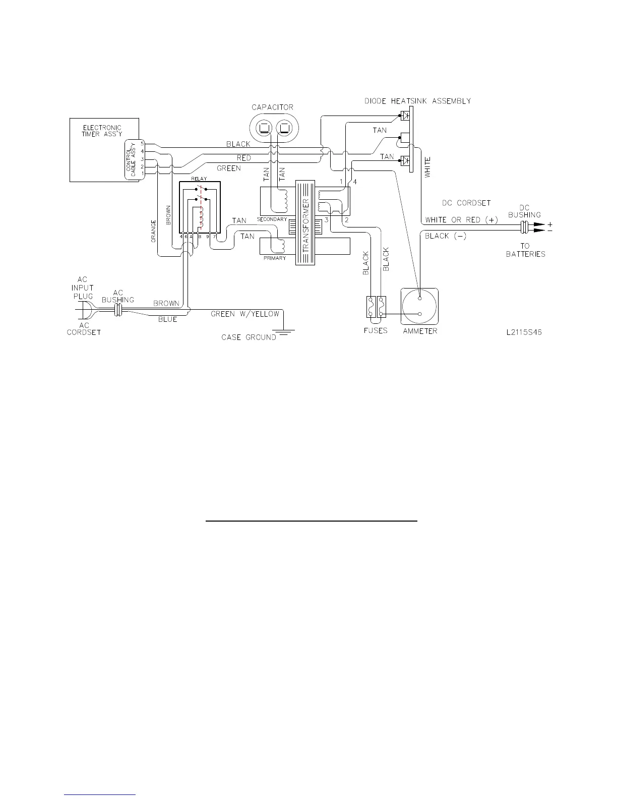
WIRING DIAGRAM
PARTS LIST FOR 24 VOLT BATTERY CHARGER
PART NO. 957732 230 VAC / 50 HZ
When replacing a part, USE ONLY ORIGINAL FACTORY REPLACEMENT PARTS of the correct size and
rating.
QTY. DESCRIPTION
1 CASE ASSEMBLY
1 TRANSFORMER
2 FUSEHOLDER
2 DC FUSE, AB-30
1 ELECTRONIC TIMER
1 AMMETER
1 AC CORDSET
1 DC CORDSET
1 HEATSINK W/ DIODES
1 CONTROL CABLE
1 BUSHING, AC CORD
1 BUSHING, DC CORD
1 RELAY
1 CAPACITOR

Related product manuals