EasyManua.ls Logo

Minuteman Gotcha C46200-00 - PARTS LISTING (MAIN UNIT); Main Unit Components Identification

Minuteman Gotcha C46200-00
16 pages
Print Icon
To Next Page IconTo Next Page
To Next Page IconTo Next Page
To Previous Page IconTo Previous Page
To Previous Page IconTo Previous Page
Loading...
9
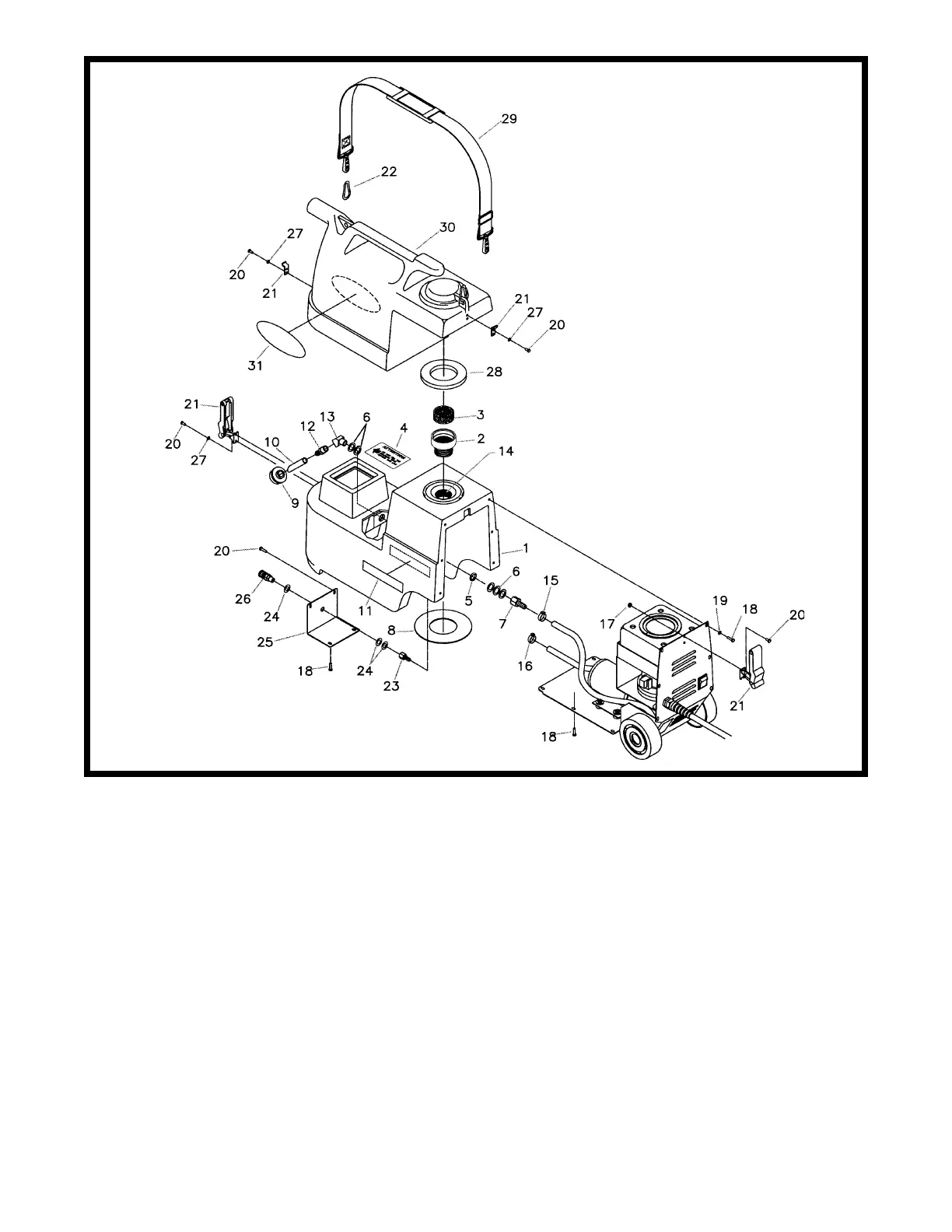
Parts Listing
ITEM PART NO QTY DESCRIPTION
17 712621 2 Nut-Keps 8-32 SS
18 712540 14 SCR-MC 10-24 x 3/8 SS
19 712770 6 WSR-Int Tooth 10
20 710025 10 SCR-MC 8-32 x 3/8 SS
21 450207 2 Latch
22 430103 2 Spring Hook
23 450225 1 1/4 BARB x 1/8 FPT Brass
24 712767 3 WSR-Flat .406 x .75 x .03
SS
25 450205 1 Quick Disconnect Plate
26 450221 1 Quick Connect 2202 Coupler
27 711552 6 WSR-Int Tooth 8
28 450209 1 Gasket
29 450214 1 Strap
30 450201 1 Recovery Tank
31 715188 2 Decal, Gotcha!
ITEM PART NO QTY DESCRIPTION
1 450202MCH 1 Solution Tank Machined
2 450229 1 Filter Assembly
3 450215 1 Vac Pre-filter
4 715180 1 Decal
5 832326 1 O-Ring
6 711594 3 WSR-Flat .56 x .88 x .03
7 833473 1 3/8 Hose BARB x 1/4 FPT
8 260294 1 Gasket
9 828974 1 Strainer
10 450216 1 Solution Hose
11 715380 2 Decal, Minuteman
12 828952 1 3/8 BARB x 1/4 MPT PLS
13 833906 1 1/4 Street 45 Brass
14 000708 .03 RTV Sealant
15 452037 1 Crimp Clamp 170R
16 828490 1 Crimp Clamp 140R