EasyManua.ls Logo

Mipro MA-708 - Bodypack Transmitter Storage; Compartment Use; CD;MP3 Player Installation; Installation Procedure

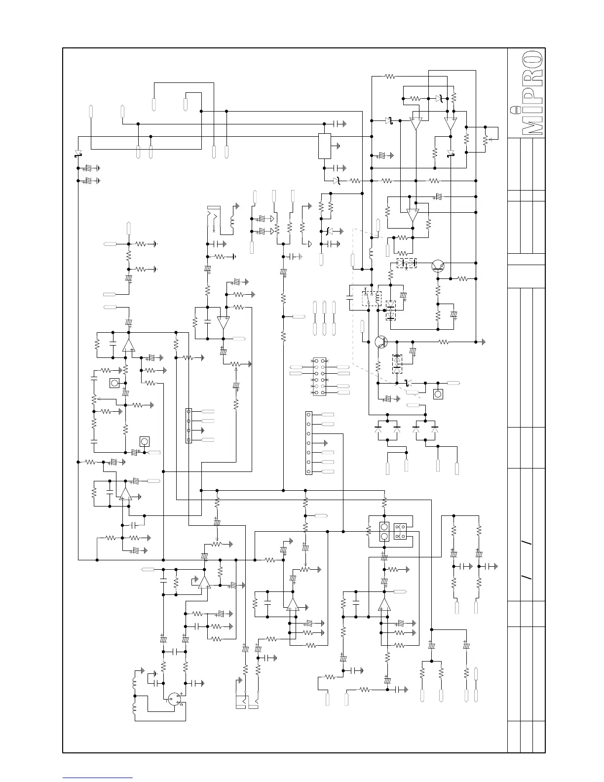
Mipro MA-708
66 pages
Print Icon
To Next Page IconTo Next Page
To Next Page IconTo Next Page
To Previous Page IconTo Previous Page
To Previous Page IconTo Previous Page
Loading...
圖號
NUMBER
日期
DATE
設計
DESIGNED
機型
MOEDL
比例
SCALE
繪圖
DRAWN
品名
DESCRIPTION
材質
MATERIAL
核准
APPROVED
(F)
(D)
(B)
(G)
(E)
(C)
版本
VISION
Hans
1CA080BA-C2 MA-708(A080B1)
01/20/2010
AF
Hans
2
3 A2
Michael
1
C43
1
R50
1
C50
1
R54
1
C67
1
R60
3 1
2
VR4
1
C68
1
R62
1
R64
1
C51
1
R55
1
C52
1
R88
1
C44
1
R65
1
R74
1
C46
1
R51
1
C64
1
C55
31
2
VR6
1
C56
1
R82
1
C48
1
R73
1
C61
31
2
VR7
1
C77
1
C76
1
C59
1
C60
1
R77
1
R79
1
R80
1
C49
1
R52
1
C65
1
C62
1
R85
1
R84
1
C66
1
R53
1
C63
1
R83
3
12
Z19
1
R90
1
R92
3
1 2
Z20
3
1 2
Z21
1
R91
1
R56
1
R94
1
R59
1
R61
1
R66
1
R95
1
C82
1
C81
1
R67
1
R68
1
R93
1
R57
1
R97
1
R58
LINE INPUT
TO(RX)(VR)(GND)
TO(RX)(VR)(GND)
RX1 INPUT
RX2 INPUT
TO CHARING PCB
BATT LOW/ON/OFF
TO CD VCC
CD RIN
REC OUTUT
1
C74
TO BATT
GND
TO DC JACK
TP1
1
R14
2
3
1
4 8
U9A
1
R31
1
C35
1
R30
1
R36
1
C39
1
R34
1
R37
1
C40
1
R35
1
R33
1
C38
1
R32
1
R28
1
C34
1
R29
1
C79
1
C78
1
C41
1
C70
1
C69
Vi
1
2
Vo
3
U7
1
C21
1
C20
1
R96
BATT
+32V
+30.5V
+5V
+12V
2
Z14
2
Z15
2
Z16
2
Z17
1
R9
TO HF AMP
GND
1
C53
1
C54
1
C71
1
R70
1
R71
1
C45
1
R72
1
C80
1
R81
3 1
VR9
POWER GND
12
Z11
12
Z10
12
Z23
1
R17
1
R16
3 2
1
Q2
1
R203
1
R26
1
R27
1
C29
1
R23
1
R6
1
R3
1
C6
MP3 REC
3
5
2
1
4
RL1
1
C28
1
R46
CD LIN
+31.5V
TO LF AMP
12
Z18
+31.5V
1
R89
TO AMP(LF OUT)
MAIN_IN
1
C5
TO AMP(HF OUT)
3
2
1
U5A
5
6
7
84
U5B
5
6
7
8 4
U6B
2
3
1
84
U8A
6
5
7
U8B
2
3
1
4 8
U4A
6
5
7
U4B
2
31
Q3
1
R101
1
R4
12
Z22
1
C89
CD
1
R13
MIC1
MIC2
MIC1
AF1
MIC3
AF3
BATT
+31V
+32V
1
C7
1
R44
+11V
+11V
1 2
Z12
1
R1
1
R2
1
C72
TX OUTPUT
1
C86
Out
In
1
2
3
4
P4
Out
In
+12V
1
C85
1
C87
1 2
Z1
1
C88
1
C101
1
C102
MIC INPUT 1
1
R5
1
R41
1
C91
1
C90
1
C1
1
C26
1
R49
1
R69
1
R48
1
R47
TO(RX)(VR)(GND)
TO(RX)(VR)(GND)
RX3 INPUT
RX4 INPUT
TO P10
1
C37
1
C36
1
R87
31
2
VR8
5
6
4 10
11
12
2
3
1 7
8
9
SW1
MIC2
AF2
2T
1T
S
J20
1
2
3
4
5
6
7
P1
CD
AUX
AF2
AF1
AF3
SW1
+31V
1
C4
P5
P6
1
R86
AUX
2
L8
1
3
2
S
J16
2
L6
2
L3
1
C58
1
R78
1
C75
O
P
G
H
N
12
1
2
11
13
L
M
K
A
W
3
4
6
5
7
8
10
9
C
D
18
19
20
1
R43
1
2
P11
MIC INPUT 2
1
2
3
J17
2
L7
1
R75
1
C47
1
R39
1
C42
1
R38
1
R40
3
2
1
U6A
1
C3
1
C104
MIC3
1
R76
P12 P13

Other manuals for Mipro MA-708

Related product manuals