EasyManua.ls Logo

Mipro MA-708 - Page 17

Mipro MA-708
66 pages
Print Icon
To Next Page IconTo Next Page
To Next Page IconTo Next Page
To Previous Page IconTo Previous Page
To Previous Page IconTo Previous Page
Loading...
圖號
NUMBER
日期
DATE
設計
DESIGNED
機型
MOEDL
比例
SCALE
繪圖
DRAWN
品名
DESCRIPTION
材質
MATERIAL
核准
APPROVED
(F)
(D)
(B)
(G)
(E)
(C)
版本
VISION
HANS
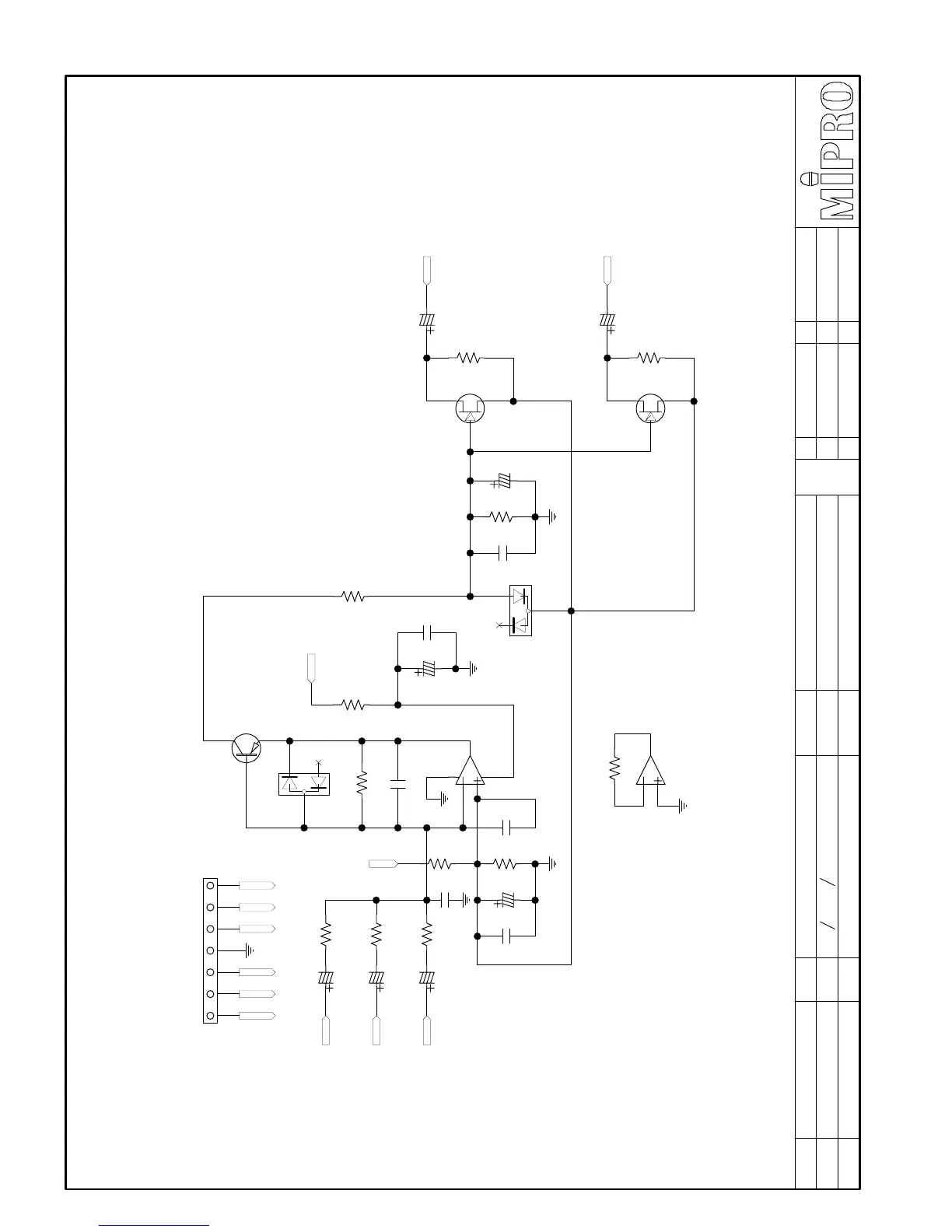
1CA067BA MA-708 VOP(A067A1)
03/13/2009
VOP
HANS
00A3
Michael
1
C2
AF IN 2
1
R2
1
R4
1
R3
1
C4
1
R5
3
1
2
Z1
1 3
2
Q1
1
R6
3
1
2
Z2
1
R7
1
C6
1
R8
3
12
Q2
3
12
Q3
1
R9
1
R10
1
C7
1
C8
AUX IN
CD IN
+31V
+31V
6
5
7
48
U1B
2
3
1
U1A
1
R11
1
R1
1
C1
AF IN 1
AF IN 2
AF IN 3
CD IN
+31V
AUX IN
1
C5
1
C10
1
C11
1
C9
1
C3
1
C12
1
R12
1
C13
AF IN 3
1
2
3
4
5
6
7
P1
AF IN 1
1
C17

Other manuals for Mipro MA-708

Related product manuals