EasyManua.ls Logo

Mitsubishi Electric FX3U SERIES - Appendix 4-3 Absolute Position Detection (Transistor Output); Appendix 4-3-1 Sink Input and Sink Output; Apx.-41

Mitsubishi Electric FX3U SERIES
282 pages
To Next Page IconTo Next Page
To Next Page IconTo Next Page
To Previous Page IconTo Previous Page
To Previous Page IconTo Previous Page
Loading...
FX
3S
/FX
3G
/FX
3GC
/FX
3U
/FX
3UC
PLC User's Manual - Positioning Control Edition
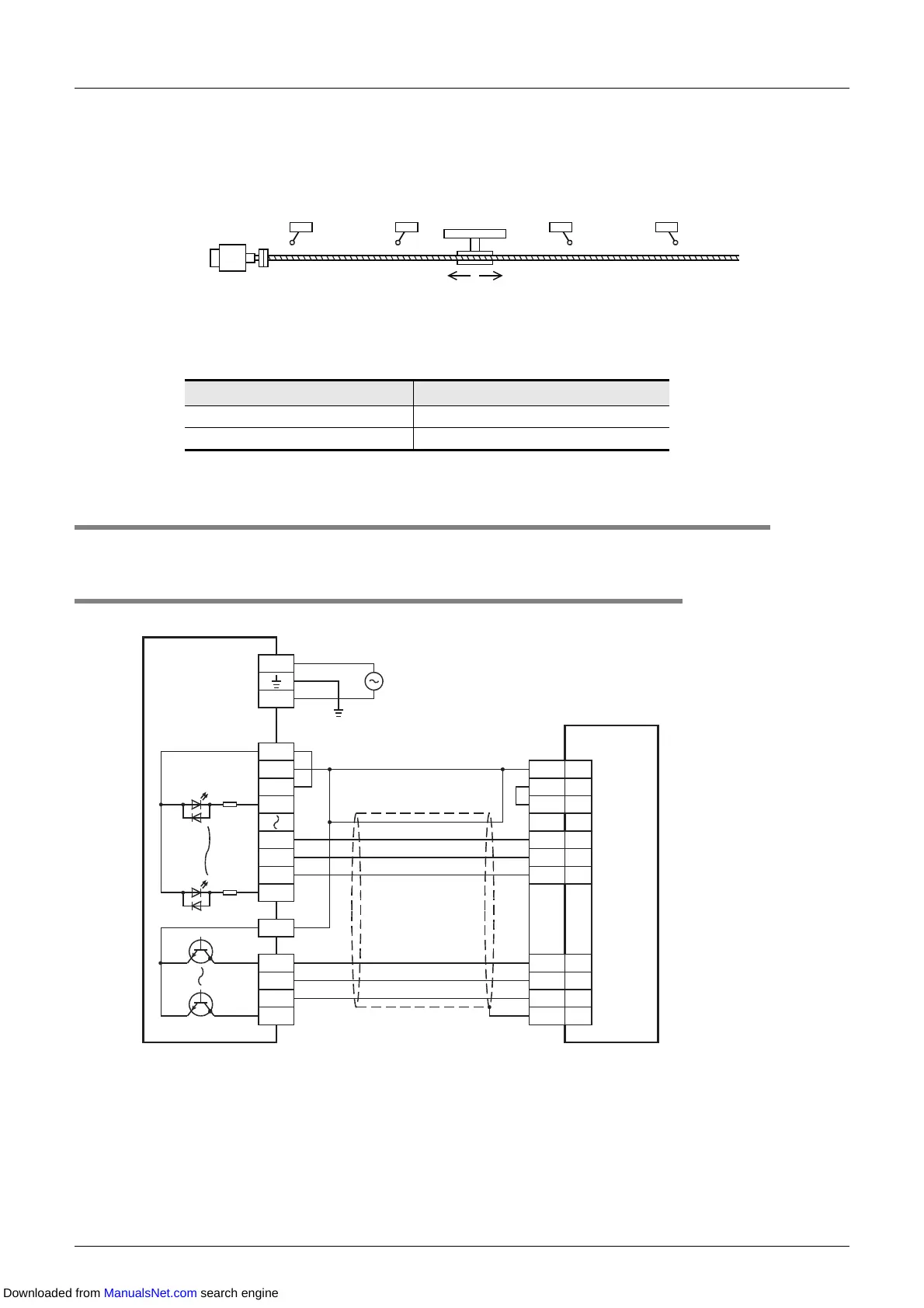
Example Connection
Appendix 4. MELSERVO-J2 (-Super) Series
Apx. - 38
Appendix 4-3 Absolute Position Detection (Transistor Output)
*3. To ensure safety, use the forward rotation limit switch and the reverse rotation limit switch on both sides: the PLC side and
the servo amplifier side. Note that the limit switches on the PLC side should be activated slightly earlier than the limit
switches on the servo amplifier side.
*4. For details on the MR-J2(S) servo amplifier, such as the tolerance for the internal power and operation of the servo
amplifier, refer to the following manual.
For details, refer to the servo amplifier manual.
*5. To detect absolute positions, connect this line to the PLC.
*6. Set the pulse output method using the pulse output method setting switch.
*7. Input extension blocks are used in the connection example.
Inputs built into the main unit are available in place of extension blocks.
Appendix 4-3 Absolute Position Detection (Transistor Output)
To assign the inputs/outputs, refer to the following section.
Refer to Section 12.1 of "B. Built-in Positioning"
Appendix 4-3-1 Sink Input and Sink Output
1. FX3S PLC
*1. Be sure to use the class-D grounding method (grounding resistance: 100
or less).
*2. For details on the internal power supply of MR-J2(S) servo amplifier, refer to the following manual.
For details, refer to the servo amplifier manual.
Pulse output method setting switch Pulse output method
FP
RP side Forward/reverse pulse train
PLS
DIR side Pulse train + direction
Reverse rotation limit 2
(Servo amplifier side)
Reverse rotation limit 1
(Programmable
controller side)
LSR
Forward rotation limit 2
(Servo amplifier side)
Forward rotation limit 1
(Programmable
controller side)
LSF
Reverse rotation Forward rotation
Servo motor
24V
0V
S/S
N
L
SG
ABSB0
10
22
COM 13
ABST 25
ABSB123
SD
CN1B
SON 5
ABSR
9
ABSM
8
D01 4
TLC 6
ZSP 19
X014
X015
X016
Y006
Y010
COM3
Y007
X000
Y011
X017
VDD 3
*2
100 to 240 V AC
Plate
Class-D
grounding
*1
ABS (bit0)
ABS (bit1)
Servo-ON
ABS transfer mode
ABS request
Send data ready
FX3S-30MT/ES
Photo-coupler
MR-J2(S)A
Series servo
amplifier
Downloaded from ManualsNet.com search engine

Table of Contents

Other manuals for Mitsubishi Electric FX3U SERIES

Related product manuals