EasyManua.ls Logo

Mitsubishi Electric Q173CPUN - APPENDIX 2.9 Serial Absolute Synchronous Encoder (MR-HENC;Q170 ENC)

Mitsubishi Electric Q173CPUN
234 pages
To Next Page IconTo Next Page
To Next Page IconTo Next Page
To Previous Page IconTo Previous Page
To Previous Page IconTo Previous Page
Loading...
App - 34
A
PPENDICES
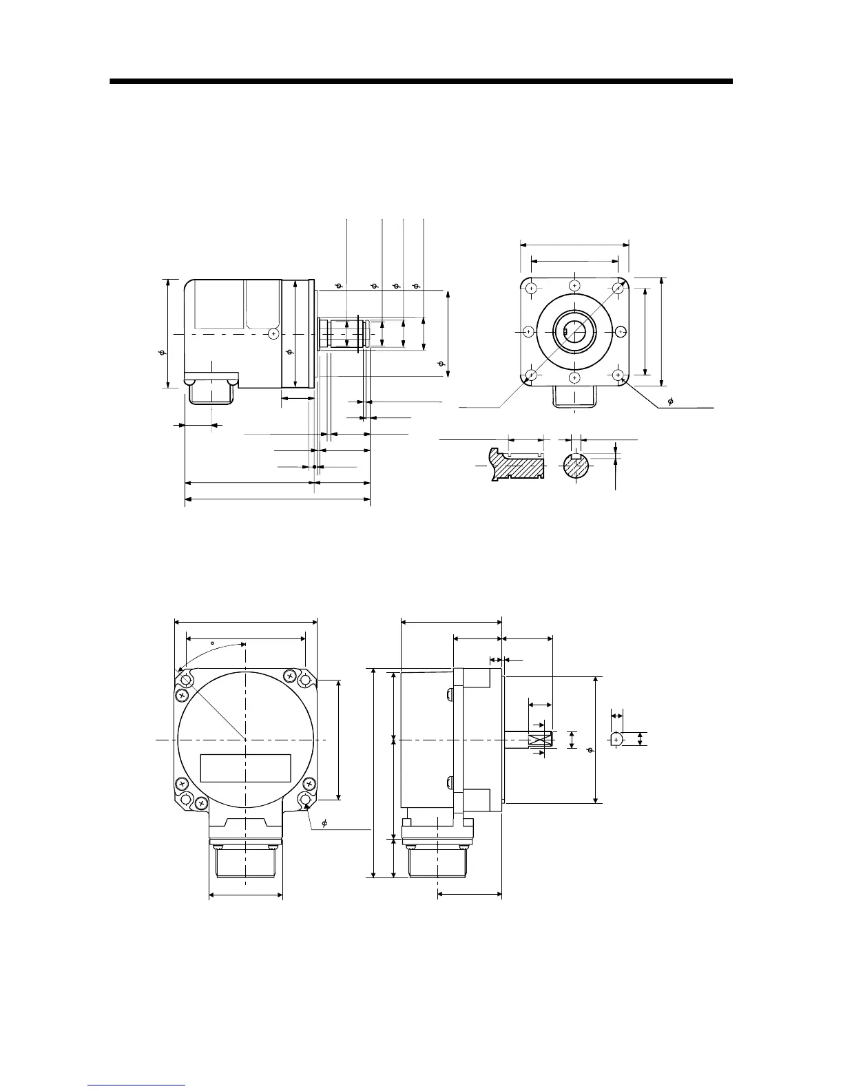
APPENDIX 2.9 Serial absolute synchronous encoder (MR-HENC/Q170ENC)
(1) MR-HENC
[Unit: mm (inch)]
0
-0.11
-0.006
-0.017
0
-0.11
-0.009
-0.025
+0.14
-0.012
-0.042
+0.1
0
5(0.20)
3(0.12)
Shaft cross-section
B
50(1.97)
15(0.59)
14.3(0.56)
14.3(0.56)
16(0.63)
N.P
68(2.68)
56(2.20)
68(2.68)
56(2.20)
68(2.68)
4- 5.4(0.21)
91(3.58)
Effective dimension
21(0.83)
+0.14
0
1.15(0.05)
1.15(0.05)
2(0.08)
20(0.79)
28(1.10)
3(0.12)
33(1.30)
5(0.20)
2(0.08)
102(4.02)
135(5.31)
19.5
0
B
Cross-section B-B
Keyway Dimensional Diagram
(0.77)
20
(0.79)
67(2.64)
(2) Q170ENC
[Unit: mm (inch)]
30(1.18)
7(0.28)
28(1.10)
58.5(2.30)
45
84(3.31)
2(0.08)
14(0.55)
8.72(0.34)
8.72
(0.34)
36.5(1.44)
A
A'
75(2.95)
9.52(0.37)
Cross-section diagram AA'
40(1.57)58(2.28)
22.5(0.89)
122.5(4.82)
70.7(2.78)
4- 5.5(0.22)
70.7(2.78)
40(1.57)

Table of Contents

Other manuals for Mitsubishi Electric Q173CPUN

Related product manuals