EasyManua.ls Logo

Mitsubishi FX3U-?*MR/ES - Examples of External Wiring [AC Power Supply;DC Input Type]; Example of Input;Output Wiring with 24 V DC Service Power Supply

Mitsubishi FX3U-?*MR/ES
520 pages
To Next Page IconTo Next Page
To Next Page IconTo Next Page
To Previous Page IconTo Previous Page
To Previous Page IconTo Previous Page
Loading...
FX3U Series Programmable Controllers
User’s Manual - Hardware Edition
178
9 Preparation for Wiring and Power Supply Wiring Procedures
9.5 Examples of External Wiring [AC Power Supply/DC Input Type]
9.5 Examples of External Wiring [AC Power Supply/DC Input Type]
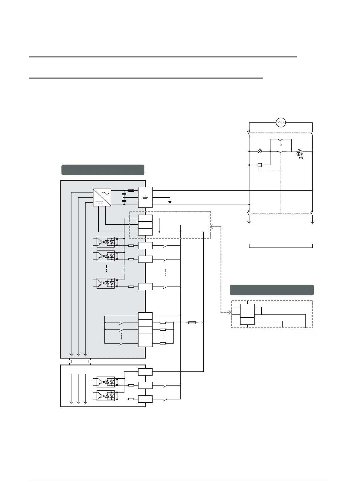
9.5.1 Example of input/output wiring with 24V DC service power supply
24V DC service power supply of the main unit can be used as a power supply for loads.
However, the power consumed by extension devices should be subtracted from the 24V DC service power,
and the remainder can be used as power for loads.
Power supply for loads
connected to sequencer
output terminals
As for details on emergency
stop, see "DESIGN
PRECAUTIONS" at "Safety
Precautions" field.
Class D
grounding
X0
S/S
0V
24V
Main unit
N
L
X1
5V 0V 24V
Input
impedance
X7
Fuse
Y0
COM1
Y1
Y3
Input extension block
S/S
*2
X0
X1
AC power supply of
100 to 240V
PL
Power ON
Emergency
stop
MC
MC
MC MC
0V
24V
*1
S/S
0V
24V
24V
0V
Load
5V 0V 24V
*1 Connect the AC power supply to the L and N
terminals (in any case of 100V AC system and
200V AC system).
As for details, see "WIRING PRECAUTIONS"
at "Safety Precautions" field.
*2 Connect the 24V terminal (in case of sink input)
or the 0V terminal (in case of source input) to
the S/S terminal on the input extension block.
In case of source input wiring
In case of sink input wiring
Breaker

Table of Contents

Related product manuals