EasyManua.ls Logo

Mitsubishi MELSEC A1SX81 - Arithmetic operation instructions

Mitsubishi MELSEC A1SX81
149 pages
Print Icon
To Next Page IconTo Next Page
To Next Page IconTo Next Page
To Previous Page IconTo Previous Page
To Previous Page IconTo Previous Page
Loading...
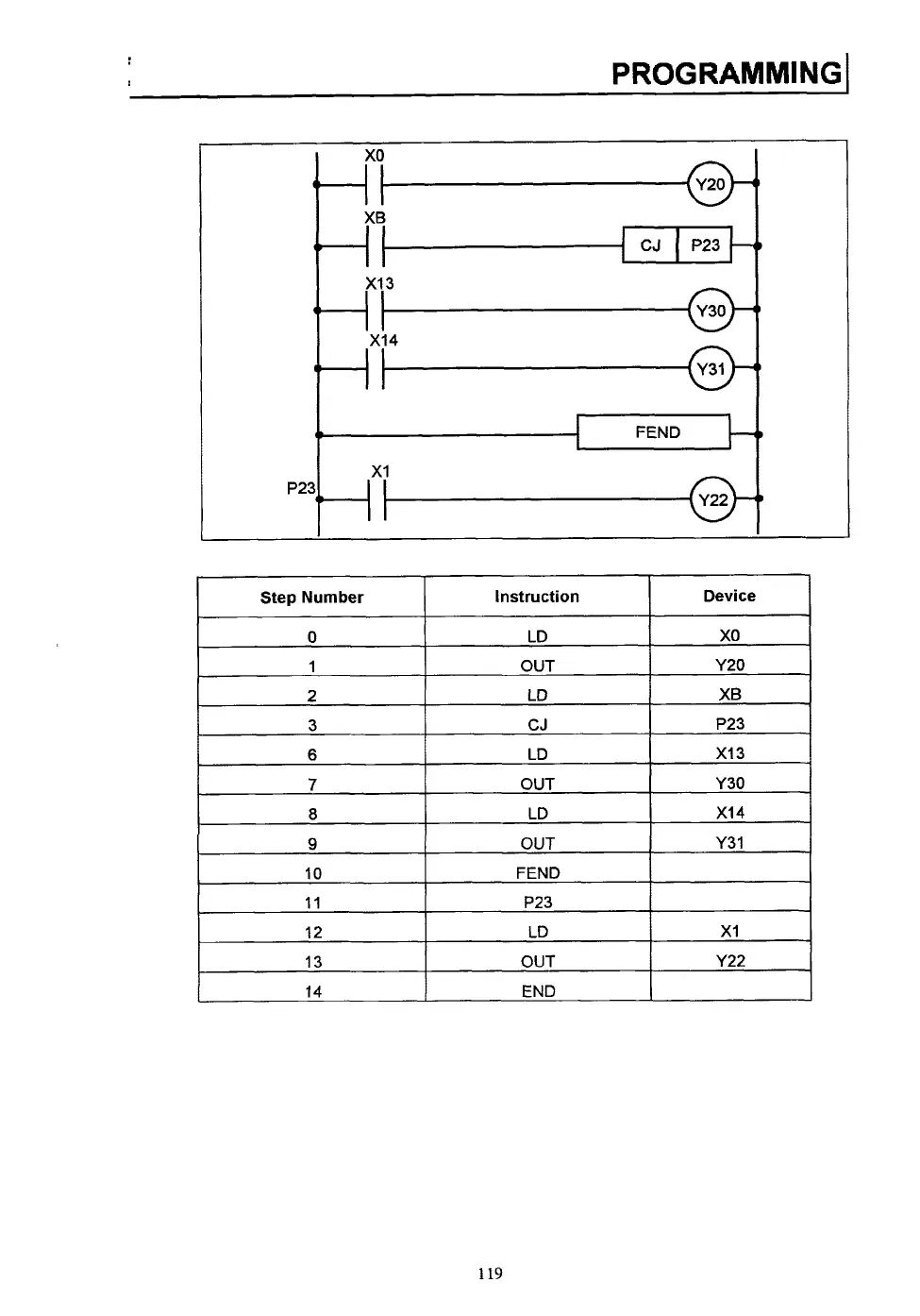
PROGRAM
MI
NG
I
HI
-
CJ
I
P23
I-
ll
FEND
Instruction
119

Table of Contents

Related product manuals