EasyManua.ls Logo

Mitsubishi MR-JE-200A - Page 21

Mitsubishi MR-JE-200A
396 pages
To Next Page IconTo Next Page
To Next Page IconTo Next Page
To Previous Page IconTo Previous Page
To Previous Page IconTo Previous Page
Loading...
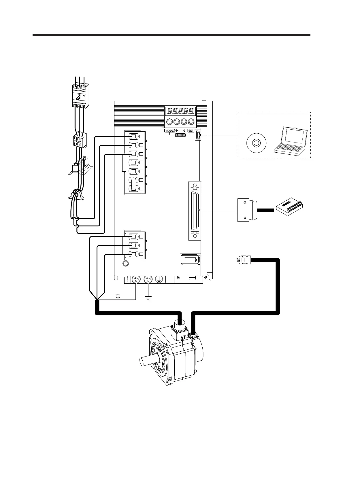
1. FUNCTIONS AND CONFIGURATION
1 - 8
(2) MR-JE-200A or more
The diagram shows MR-JE-200A.
Power factor
improving AC
reactor
(FR-HAL)
Line noise filter
(FR-BSF01)
CN3
Personal
computer
MR Configurator2
CN1
CN2
W
V
U
Magnetic
contactor
(MC)
L1
L2
L3
(Note 2)
Molded-case
circuit breaker
(MCCB)
RS T
Junction terminal block
Power
supply
(Note 1)
Servo motor
Note 1.
A
1-phase 200 V AC to 240 V AC power supply may be used with the servo amplifier of MR-JE-200A. For 1-phase 200 V AC
to 240 V AC, connect the power supply to L1 and L2. Leave L3 open. For power supply specifications, refer to section 1.3 of
"MR-JE-_A Servo Amplifier Instruction Manual".
2 Depending on the power supply voltage and operation pattern, a bus voltage may drop, causing dynamic brake deceleration
during forced stop deceleration. When dynamic brake deceleration is not required, delay the time to turn off the magnetic
contactor.

Table of Contents

Related product manuals