EasyManua.ls Logo

Mitsubishi SCM45ZD-S - Page 26

Mitsubishi SCM45ZD-S
40 pages
To Next Page IconTo Next Page
To Next Page IconTo Next Page
To Previous Page IconTo Previous Page
To Previous Page IconTo Previous Page
Loading...
-
23
-
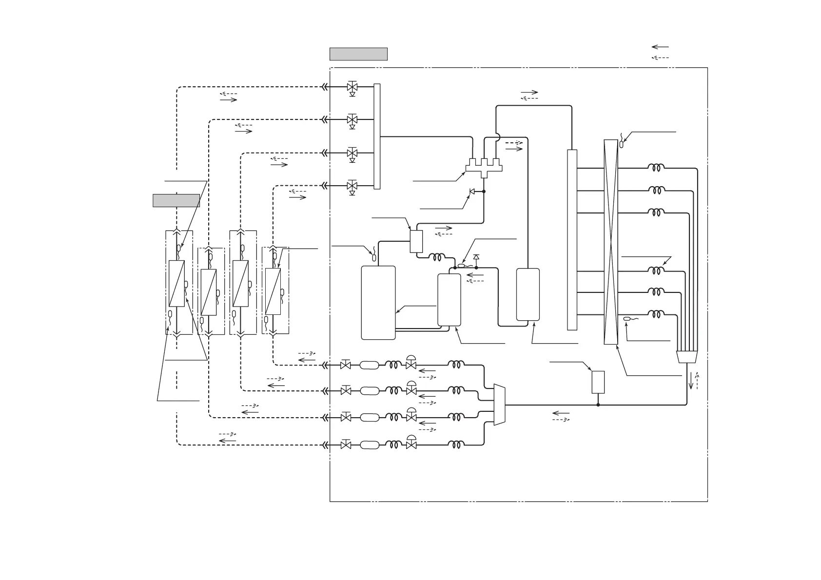
Model SCM80ZD-S
Gas line
Liquid line
(ø9.52 or ø12.7)
(ø9.52 or ø12.7)
(ø6.35)
(ø6.35)
(ø6.35)
(ø6.35)
(ø9.52 or ø12.7)
(ø9.52 or ø12.7)
Service valve (Gas)
Outdoor Unit
Indoor Unit
Heat
exchanger
Heating
Cooling
Thermistor
(Th
I-R1
)
Thermistor
(Th
I-A
)
Thermistor
(Th
I-R2
)
EEVA
EEVD
EEVC
EEVB
Strainer
Discharge
Suction
Thermistor
(Th
O-D
)
Receiver
Capillary
tube
Thermistor
(Th
O-C
)
Service valve
(Liquid)
Electronic
expansion valve
Compressor
Check joint
Oil
separator
4way valve
Thermistor
(Th
O-A
)
Thermistor
(Th
O-R
)
Capillary tube
Heat exchanger
Accumlator
Accumlator
Gas line 22, 25, 28, 35 type: ø9.52
50, 60 type : ø12.7

Related product manuals