EasyManua.ls Logo

Mitsubishi SRC258CENF-L - Page 52

Mitsubishi SRC258CENF-L
68 pages
To Next Page IconTo Next Page
To Next Page IconTo Next Page
To Previous Page IconTo Previous Page
To Previous Page IconTo Previous Page
Loading...
1-52
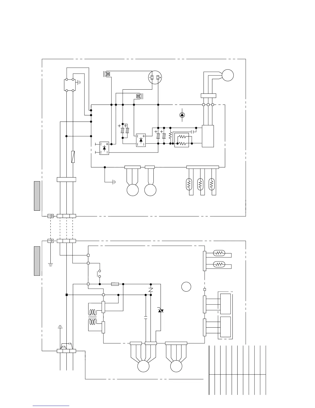
Model SRK35GZ-L1
Color symbol
BR
RE
WH
WH
V
V
U
V
W
RD
WH
BK
NF
DS
DS
CNC
CNB
CND
CNW
CNU
CNM
CNE CNG
Th1
Th5
Th6
Th7
Th2
52C3
52C
N
CNBCNC
52C4
J
BK
BL
BR
LB
Y
RD
GY
WH
V
Y/GN
RD
RE
(Power source
Signal line)
BK
1
2
3
4
WH
3
2
1
3
2
1
Back up
switch
Power
transistor
Display
CND
Wireless
R-Amp
Y
WH
RD
Y/GN
WH
BK
RD
WH
GY
RD
WH
BK
Y/GN
Y/GN
LB
BR
Black
Blue
Brown
Light blue
Yellow
Red
Gray
White
Violet
Yellow/Green
F2(20A)
NK
NK
C
RL
CM
ZNR
F1
(250V3.15A)
CFI
FMI
FM0
20S
SM
Tr
52C
Printed circuit board
Printed circuit board
Power source
1 phase 220/240V 50Hz
Indoor unit Outdoor unit

Related product manuals