EasyManua.ls Logo

Mitsubishi SRC56HA - Page 53

Mitsubishi SRC56HA
68 pages
Print Icon
To Next Page IconTo Next Page
To Next Page IconTo Next Page
To Previous Page IconTo Previous Page
To Previous Page IconTo Previous Page
Loading...
1-53
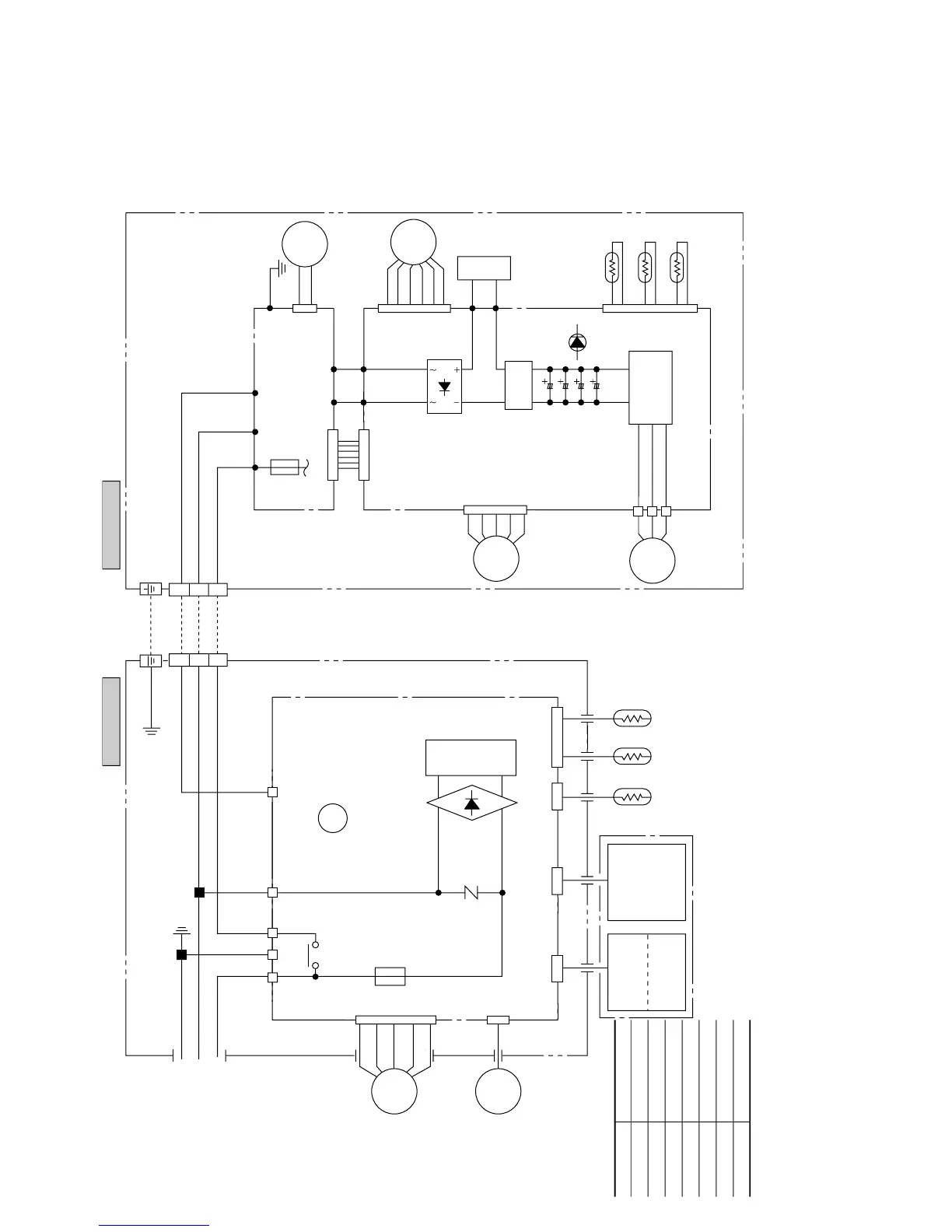
Model SRK502Z-L
Power source
1 phase 220/240V 50Hz
EEV
CNU
CNM
CNE CNH
Back up
switch
Wireless
R-Amp
Display
CNF CNG
Th
3
Th
2
Th
1
Th
7
Th
6
Th
5
ZNR
52C
Printed circuit board
Printed circuit
board
Printed circuit
board
Power transistor
Fuse
250V 25A
WH
Y
BL
Y/GN
LB
BR
RD
WH
BK
RD
CNB
CNB
GY BL
CNA
CNE
DS
IC2
RL
CNA
WH
RD
WH
BK
U
V
W
PN
OR
RE
WH
BK
52C-4 52C-3
52C
F
250V
3.15A
SJ
BK
RD
3
4
5
2
1
( )
1
2
3
1
2
3
20S
FMo
CM
FMI
SM
Indoor unit Outdoor unit
Color symbol
BK Black
BL Blue
BR Brown
Y Yellow
RD Red
LB Light blue
WH White
Y/GN Yellow/Green

Related product manuals