EasyManua.ls Logo

mixars PRIMO - Page 16

mixars PRIMO
48 pages
Print Icon
To Next Page IconTo Next Page
To Next Page IconTo Next Page
To Previous Page IconTo Previous Page
To Previous Page IconTo Previous Page
Loading...
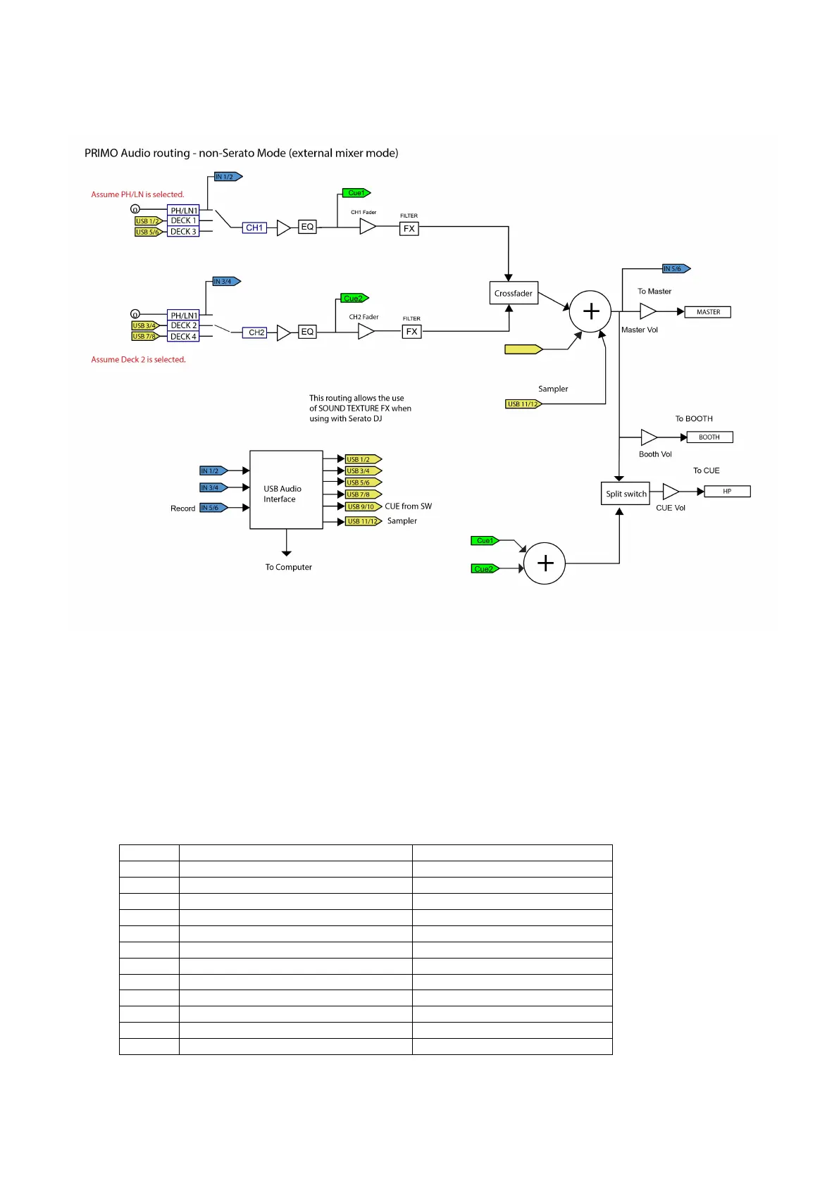
Nella modalità di percorso non Serato, Primo funge da comando MIDI con mixer esterno indipendente e il
mixing viene eseguito dall’hardware Primo.
Modalità di percorso audio non Serato:
Vi sono diversi modi per passare da un percorso audio all’altro:
1. quando il software Serato DJ è aperto e avviato, farà cambiare a Primo automaticamente la
modalità del percorso in modalità Serato.
2. In alternativa, premere e tenere premuto i pulsanti NOISE e FILTER e avviare l’accensione di
Primo. Attendere qualche secondo fino a quando il pulsante PFL sinistro o destro si accende di
colore blu. Rilasciare il tasto SHIFT.
3. Premere uno dei pulsanti PFL per selezionare il percorso audio:
Destra: Modalità Serato
Sinistra: Modalità Non Serato
Il pulsante PFL corrispondente dovrebbe accendersi in colore blu
4. Premere il tasto SHIFT per confermare la scelta e Primo sarà pronto all'uso.
L’interfaccia audio è un’interfaccia a 6 ingressi 12 uscite con assegnazione:
Canale
Ingressi
Uscite
1
Deck 1 ingresso S (DVS)
Deck 1 uscita S
2
Deck 1 ingresso D (DVS)
Deck 1 uscita D
3
Deck 2 ingresso S (DVS)
Deck 2 uscita S
4
Deck 2 ingresso D (DVS)
Deck 2 uscita D
5
Registrazione ingresso S
Deck 3 uscita S
6
Registrazione ingresso D
Deck 3 uscita D
7
N.D.
Deck 4 uscita S
8
N.D.
Deck 4 uscita D
9
N.D.
CUE uscita S
10
N.D.
CUE uscita D
11
N.D.
Campionatore uscita S
12
N.D.
Campionatore uscita D
USB 9/10
CUE from DJ Software
15

Related product manuals