EasyManua.ls Logo

mixars PRIMO - Page 40

mixars PRIMO
48 pages
Print Icon
To Next Page IconTo Next Page
To Next Page IconTo Next Page
To Previous Page IconTo Previous Page
To Previous Page IconTo Previous Page
Loading...
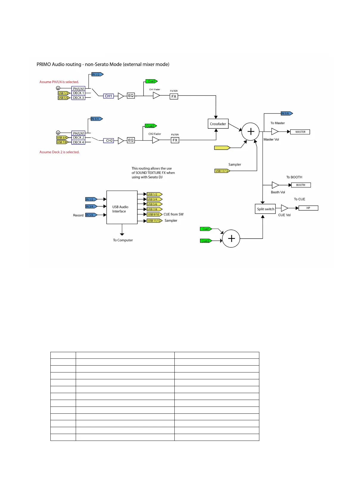
Im nicht-Serato-Modus-Routing funktioniert der Primo als MIDI Steuerung mit unabhängigem externen
Mixer, bei dem das Mixen über die Primo Hardware erledigt wird.
Das nicht-Serato-Modus Audio-Routing:
Es gibt verschiedene Arten, um zwischen den 2 Audio-Routings zu wechseln:
1. Wenn die Serato-DJ-Software geöffnet und angefangen ist, wird der angeschlossene Primo
ausgelöst, um automatisch in das Serato-Modus-Routing zu schalten.
2. Oder drücken und halten Sie die NOSIE und FILTER Taste und schalten Sie den Primo an. Warten
Sie ein paar Sekunden, bis die linke oder rechte PFL Taste blau leuchtet. SHIFT Taste lösen.
3. Drücken Sie entweder eine PFL Taste, um das Audio Routing auszuwählen:
Rechts: Serato Modus
Links: Nicht-Serato Modus
Die entsprechende PFL Taste sollte blau leuchten
4. SHIFT drücken, um die Auswahl zu bestätigen und der Primo ist gebrauchsbereit.
Die Audioschnittstelle ist eine 6-ein 12-aus Schnittstelle mit Zuordnung:
CH
Eingänge
Ausgänge
1
Deck 1 ein L (DVS)
Deck 1 aus L
2
Deck 1 ein R (DVS)
Deck 1 aus R
3
Deck 2 ein L (DVS)
Deck 2 aus L
4
Deck 2 ein R (DVS)
Deck 2 aus R
5
Aufzeichnung ein L
Deck 3 aus L
6
Aufzeichnung ein R
Deck 3 aus R
7
NA
Deck 4 aus L
8
NA
Deck 4 aus R
9
NA
CUE aus L
10
NA
CUE aus R
11
NA
Sampler aus L
12
NA
Sampler aus R
USB 9/10
CUE from DJ Software
39

Related product manuals