EasyManua.ls Logo

MJX HYPER GO 14210 - High Speed Car Main Assembly; Chassis and Drivetrain Assembly Guide

MJX HYPER GO 14210
31 pages
Print Icon
To Next Page IconTo Next Page
To Next Page IconTo Next Page
To Previous Page IconTo Previous Page
To Previous Page IconTo Previous Page
Loading...
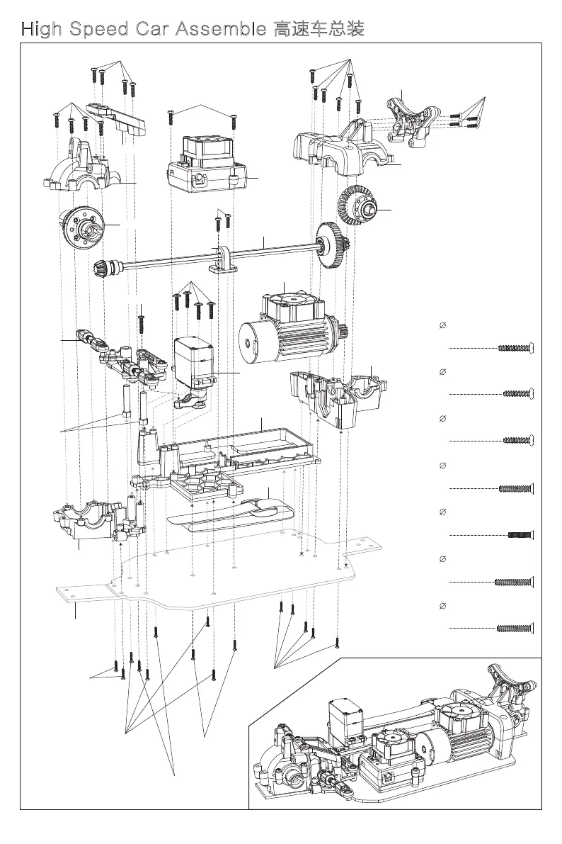
E45AZ
M26104
M2684
M2666
14400G
1413Q9
14190B
14430B
M0522
M26104
M26104
M26104
M2684
14160
14700B
14161
14180B
B2852A
& 16397
16420G2
14191B
14130B
M25845
M26124
M26124
M26945
M26945
BD30
14300B
M2666 2.6x6mm 4PCS
Round head screws
圆头平尾螺丝
M26945 2.6x9mm 4PCS
Countersunk flat head screws
沉头平尾螺丝
M2684 2.6x8mm 6PCS
Round head screws
圆头平尾螺丝
M26104 2.6x10mm 16PCS
Round head screws
圆头平尾螺丝
Screw 螺丝:
M23124 2.3x12mm 1PCS
Countersunk flat head screws
沉头平尾螺丝
M25845 2.5x8mm 4PCS
Countersunk flat head screws
沉头机丝螺丝
M26124 2.6x12.5mm 7PCS
Countersunk flat head screws
沉头平尾螺丝
High Speed Car Assemble 高速车总装
16420G16420G
14150B
14150B
M23124M23124
-18-

Related product manuals