EasyManua.ls Logo

MOODY 31 - Page 78

Default Icon
118 pages
Print Icon
To Next Page IconTo Next Page
To Next Page IconTo Next Page
To Previous Page IconTo Previous Page
To Previous Page IconTo Previous Page
Loading...
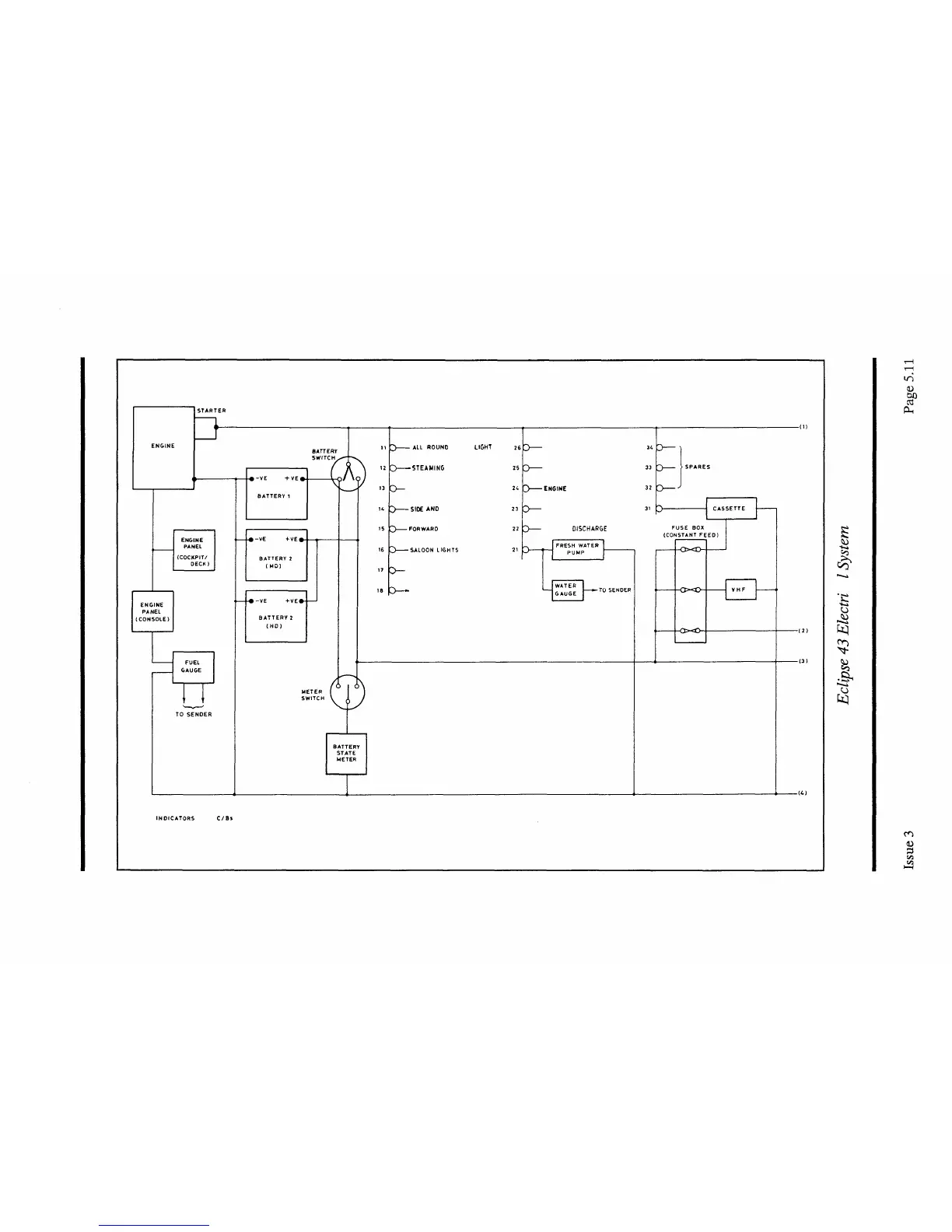
-ALL
HOUND
WHITE
LIGHT
-
STEAMING
LIGHT
- DECK LIGHTS
-SIDE
AND
STERN
LIGHTS
-FORWARD
CABIN LIGHTS
-SALOON
LIGHTS
- AFT CABIN LIGHTS
-
BUNK LIGHTS
COCKPIT LIGHTS
REGRIGERATION
3——ENGINE
ROOM LIGHTS
SHAVER POINTS
SHOWER
DISCHARGE
8
<
NOTE; ALL NEGATIVES TO EARTH VIA BUSS BARS
INDICATORS
AND
C/Bs
NOT SHOWN

Table of Contents

Related product manuals