EasyManua.ls Logo

MOODY 31 - Page 81

Default Icon
118 pages
Print Icon
To Next Page IconTo Next Page
To Next Page IconTo Next Page
To Previous Page IconTo Previous Page
To Previous Page IconTo Previous Page
Loading...
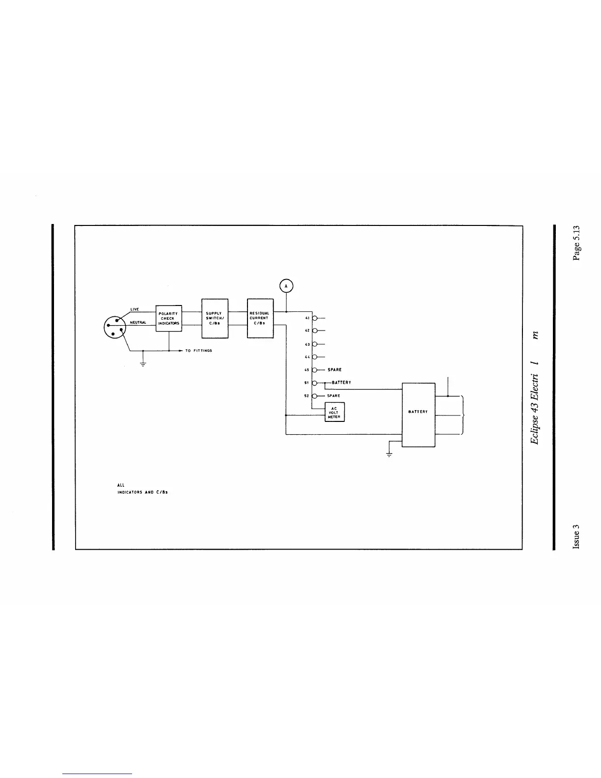
RING MAIN
REFRIGERATION
IMMERSION HEATER
MICROWAVE
SPARE
BATTERY
CHARGER (OPTIONAL)
0
BATTERY
CHARGER
I
^^
8
TO BATTERIES
NOTE:
AIL
NEGATIVES TO EARTH VIA BUSS BARS
INDICATORS
AND
C/Bl
NOT SHOWN

Table of Contents

Related product manuals