EasyManua.ls Logo

MOODY 425 - Page 65

Default Icon
118 pages
Print Icon
To Next Page IconTo Next Page
To Next Page IconTo Next Page
To Previous Page IconTo Previous Page
To Previous Page IconTo Previous Page
Loading...
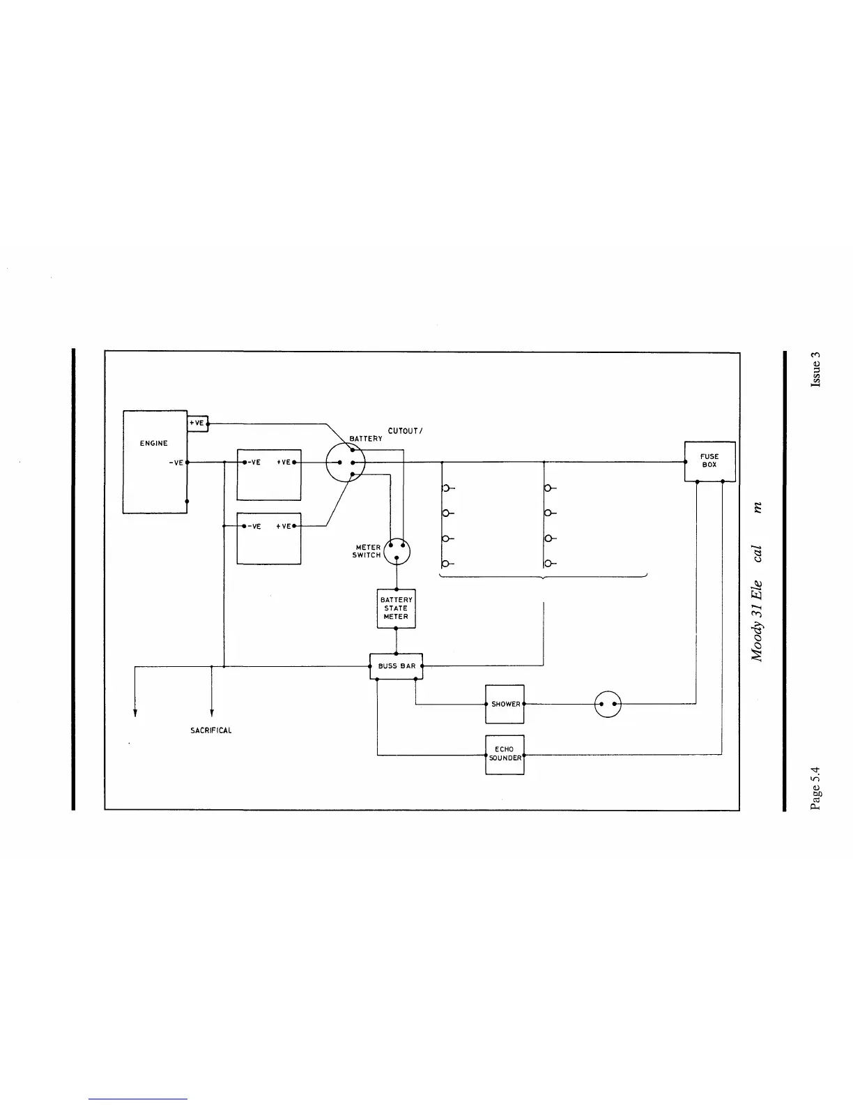
STARTER
DISCRETE
CUTOUT/
BATTERY
SWITCH
SKIN FITTINGS
SACRIFICAL
(PROP SEACOCKS ETC) ANODES
D-
CABIN LIGHT
O-
DECK LIGHT
O-
NAVIGATION LIGHT
O-
STEAMING LIGHT
o-
O-
COMPASS LIGHT
ID-
ID-
FRESHWATER PUMP
ALL NEGATIVES TO EARTH
VIA BUSS BAR
PUSH PULL
SWITCH
I
1
JU

Table of Contents

Related product manuals