EasyManua.ls Logo

MSD 8956 - Page 3

Default Icon
4 pages
Print Icon
To Next Page IconTo Next Page
To Next Page IconTo Next Page
To Previous Page IconTo Previous Page
To Previous Page IconTo Previous Page
Loading...
INSTALLATION INSTRUCTIONS 3
MSD •  WWW.MSDPERFORMANCE.COM •  (915)  857-5200  •  FAX  (915)  857-3344
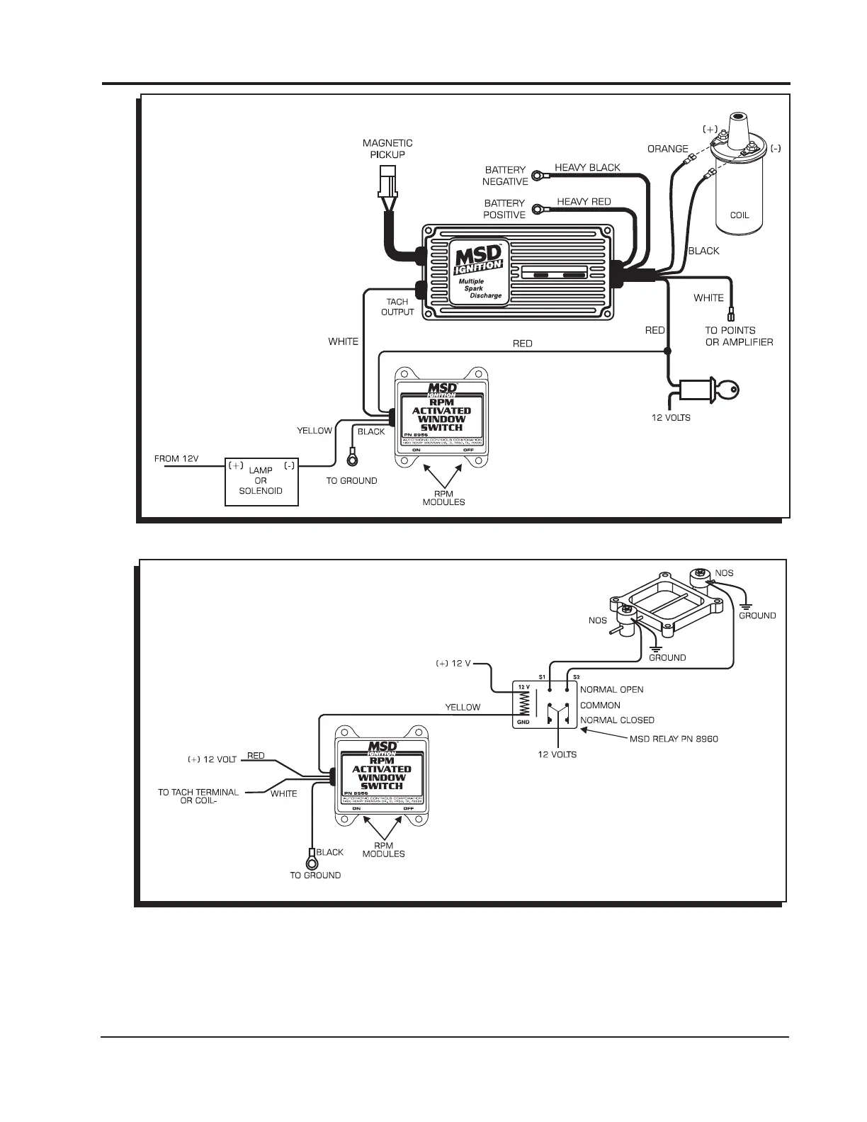
Figure 4 Wiring to an MSD Ignition Control.
Figure 5 Wiring with an MSD Relay.
Note: Capacitive discharge ignitions only.