EasyManua.ls Logo

MTZ 952.2 - Page 236

Default Icon
269 pages
Print Icon
To Next Page IconTo Next Page
To Next Page IconTo Next Page
To Previous Page IconTo Previous Page
To Previous Page IconTo Previous Page
Loading...
Appendix
MTZ series 900
236
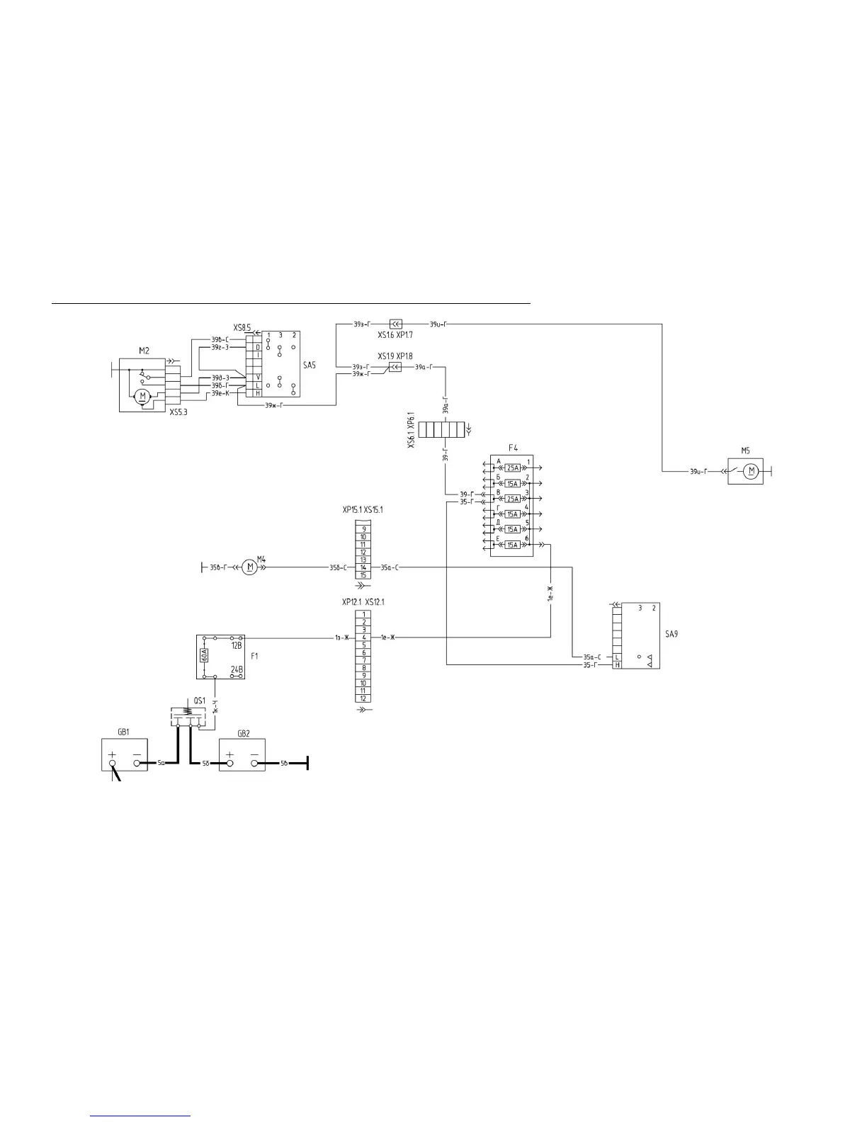
Connection diagram of the wind- and rear screen wipers and windscreen washer

Related product manuals