EasyManua.ls Logo

Murray 405004x99A - Page 38

Murray 405004x99A
52 pages
Print Icon
To Next Page IconTo Next Page
To Next Page IconTo Next Page
To Previous Page IconTo Previous Page
To Previous Page IconTo Previous Page
Loading...
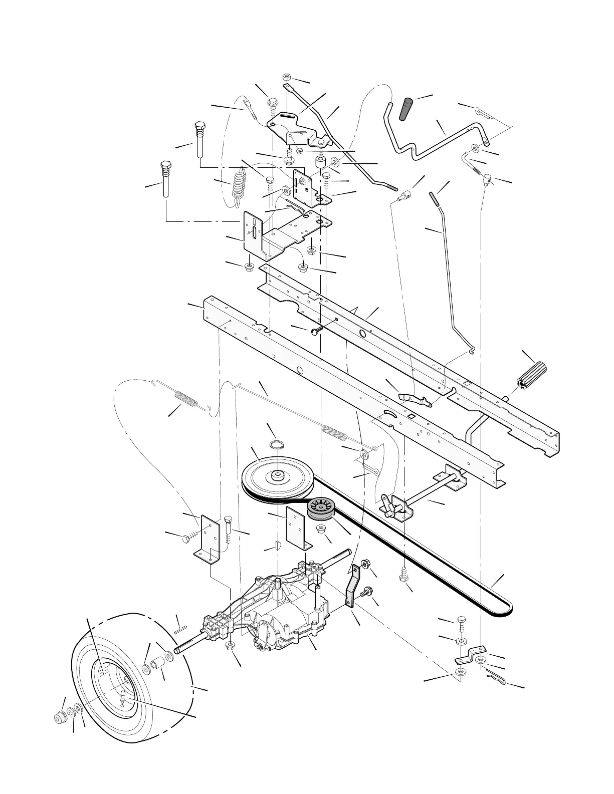
REPAIR PARTSMODEL 405004x99A
38
F-050718L
MOTION DRIVE
1
2
3
4
5
6
7
8
9
10
12
11
13
14
15
16
60
18
19
20
17
21
62
55
22
23
25
26
27
28
30
31
32
33
35
17
41
29
17
40
39
40
38
45
37
46
49
48
50
53
51
52
47
36
8
61
43
56
44
54
54
5
5
57
34
59
42
58
37
24
63

Table of Contents

Related product manuals