EasyManua.ls Logo

Murray 40508x92A - Page 36

Murray 40508x92A
52 pages
Print Icon
To Next Page IconTo Next Page
To Next Page IconTo Next Page
To Previous Page IconTo Previous Page
To Previous Page IconTo Previous Page
Loading...
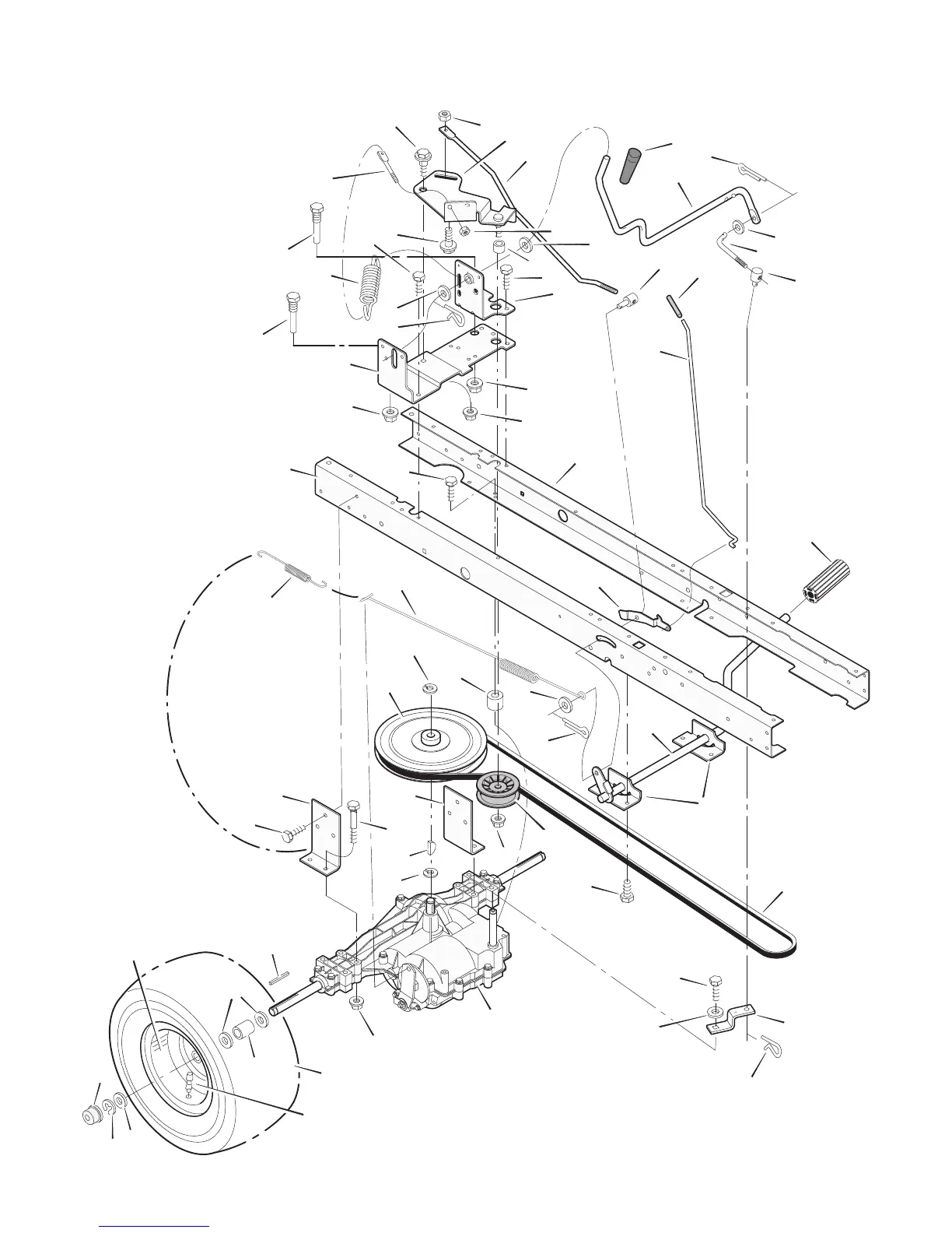
REPAIR PARTSMODEL 40508x92A
36
F–000704L
MOTION DRIVE
1
2
3
4
5
6
7
8
9
10
12
11
13
14
15
16
17
18
19
20
17
21
6
55
22
23
24
25
26
27
28
29
30
31
32
33
35
17
41
18
17
40
39
40
38
45
37
46
49
48
50
53
51
52
47
36
8
10
42
43
56
44
43
54
54
5
5
57
34

Table of Contents

Related product manuals