EasyManua.ls Logo

Murray 461004x92B - Page 42

Murray 461004x92B
60 pages
Print Icon
To Next Page IconTo Next Page
To Next Page IconTo Next Page
To Previous Page IconTo Previous Page
To Previous Page IconTo Previous Page
Loading...
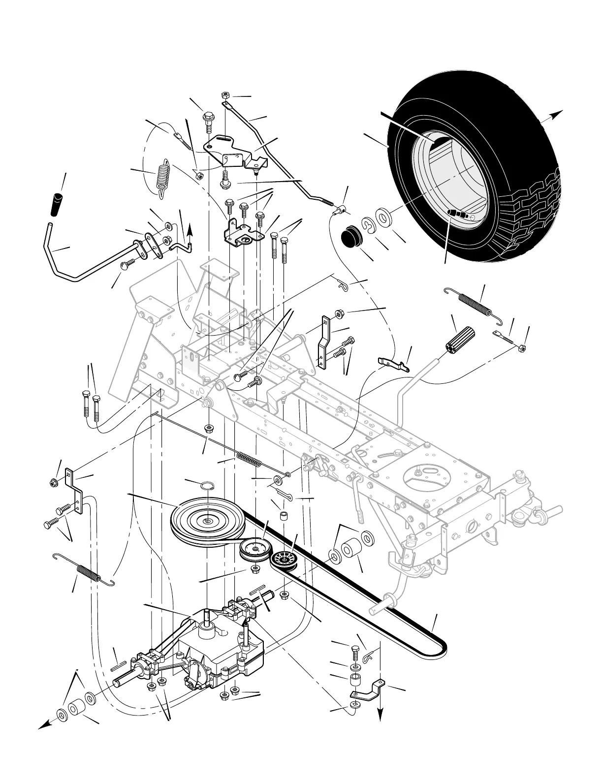
REPAIR PARTSMODEL 461004x92B
42
F-05071 1L
MOTION DRIVE
1
2
3
10
5
6
8
9
10
11
12
13
14
15
16
17
18
19
20
19
21
22
23
24
25
26
27
28
29
30
55
9
10
32
33
34
35
36
37
38
39
40
57
41
42
43
44
45
46
47
24
48
49
50
24
22
51
24
52
42
54
53
4
4
53
31
56

Table of Contents

Related product manuals