EasyManua.ls Logo

Murray 465306x8B - Page 46

Murray 465306x8B
56 pages
Print Icon
To Next Page IconTo Next Page
To Next Page IconTo Next Page
To Previous Page IconTo Previous Page
To Previous Page IconTo Previous Page
Loading...
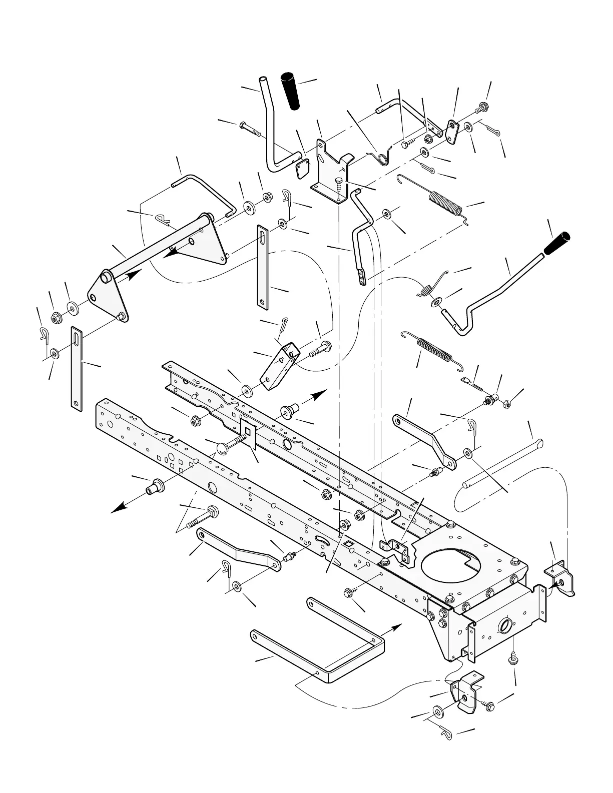
REPAIR PARTSMODEL 465306x8B
46
F-050712L
MOWER HOUSING SUSPENSION
1
2
3
4
5
6
7
8
14
14
9
10
11
12
12
11
13
14
15
16
17
18
19
20
20
21
22
22
23
24 24
24
25
25
11
15
27
26
26
24
25
15
33
34
36
37
32
32
38
31
24
30
25
41
43
15
30
31
44
42
24
7
40
39
39
45
14
46
47
48

Table of Contents

Related product manuals