EasyManua.ls Logo

Murray 465600x8A - Page 40

Murray 465600x8A
56 pages
Print Icon
To Next Page IconTo Next Page
To Next Page IconTo Next Page
To Previous Page IconTo Previous Page
To Previous Page IconTo Previous Page
Loading...
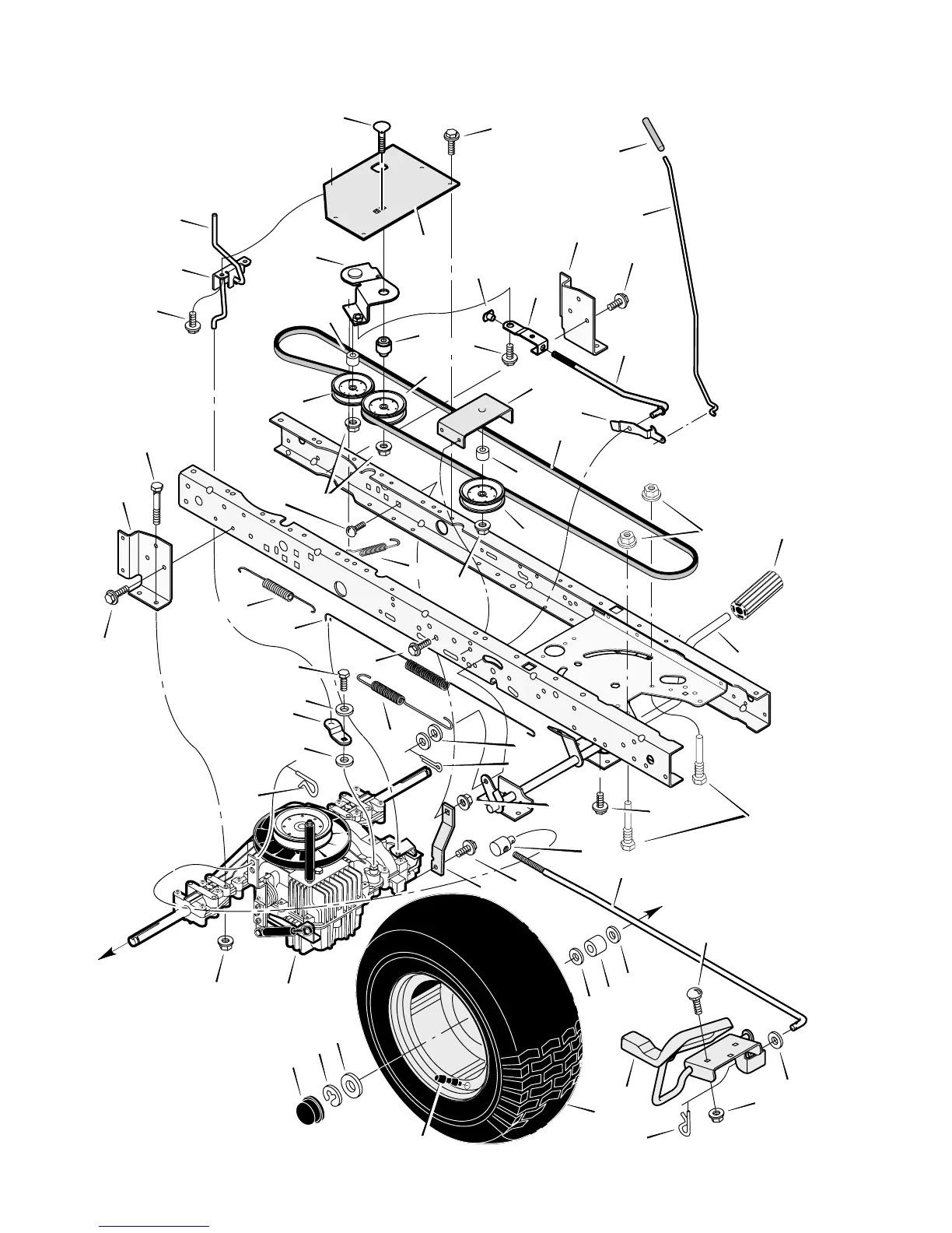
REPAIR PARTSMODEL 465600x8A
40
F-030727L
DRIVE ASSEMBLY
1
1
1
1
1
1
2
4
5
6
7
8
9
9
10
11
12
14
15
16
17
18
21
22
23
24
19
20
19
29
30
2827
26
25
16
35
31
33
32
34
36
57
37
38
34
49
50
55
39
56
39
40
42
41
46
43
44
45
53
47
41
48
52
51
40
53

Table of Contents

Related product manuals