EasyManua.ls Logo

National Instruments NI 6601 - Measuring OCXO Stable Frequency Deviation

National Instruments NI 6601
64 pages
Print Icon
To Next Page IconTo Next Page
To Next Page IconTo Next Page
To Previous Page IconTo Previous Page
To Previous Page IconTo Previous Page
Loading...
Chapter 2 Device Overview
NI 660x User Manual 2-10 ni.com
disables its internal clock, then uses the OCXO clock instead, illustrated in
Figure 2-7.
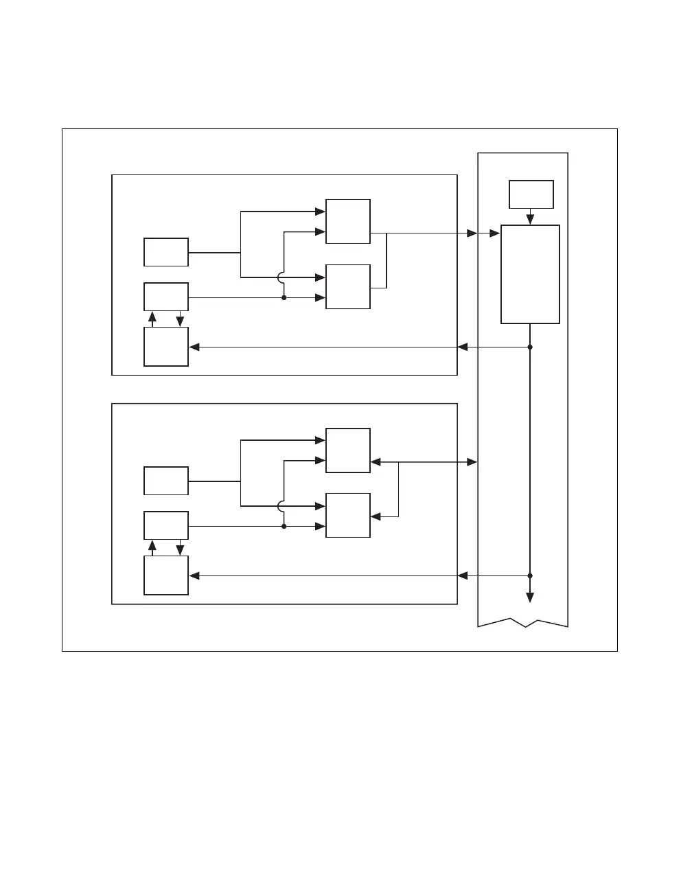
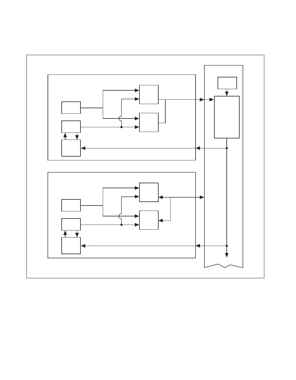
Figure 2-7. OCXO as the 10 MHz PXI Backplane Clock
Measuring OCXO Stable Frequency Deviation
When you power the NI 6608 device, the OCXO requires adequate
warm-up time to reach stable frequency. Five minutes is adequate warm-up
time for a power-off duration of less than one hour, with maximum
deviation within 20 ppb, or parts per billion, while four hours of operation
is adequate for a power-off duration of up to 90 days.
TIO(0)
NI PXI-6608 in Slot 2
of PXI Chassis
80 MHz Phase Locked to
10 MHz PXI Backplane Clock
TIO(1)
10 MHz
OCXO
10 MHz
Circuit
to
Drive
10 MHz
PXI
Backplane
Clock
80 MHz
VCXO
Phase
Lock
Loop
10 MHz PXI Backplane Clock
10 MHz from OCXO is Used as
10 MHz PXI Backplane Clock
PXI Backplane
PXI CLK10 in
(Driving
10 MHz
Supplied by
OCXO)
TIO(0)
NI PXI-6608 or NI PXI-6602
in Slot 3 of PXI Chassis
80 MHz Phase Locked to
10 MHz PXI Backplane Clock
TIO(1)
10 MHz
OCXO
80 MHz
VCXO
Phase
Lock
Loop
10 MHz PXI Backplane Clock
PXI Star
(Not Used
for
Backplane
Clock)

Table of Contents

Other manuals for National Instruments NI 6601

Related product manuals