EasyManua.ls Logo

NEC ipasolink 400 - Page 175

NEC ipasolink 400
186 pages
Print Icon
To Next Page IconTo Next Page
To Next Page IconTo Next Page
To Previous Page IconTo Previous Page
To Previous Page IconTo Previous Page
Loading...
--)/
6NRSCLLCSJON :B1"%%)(+)"$&2
C\aR`
,;8 * 0 $ . % '& G8E@<A 4? BA G;8 ' - 6 BA 9BE@ 87 GB !
,;8 * 0 $ . % '& G8E@<A 4? @HFG 58 6 4CC87 9BE J4G8ECEBB9
.BA6<; 2 0.? 23B9 @B?3.02 <3 A52 $ ) 6@ 5<A 6; <=2? .A6<;
64B? 2 ;A2;;. $ ?62;A.A6<; ( 2@A ' 2AB=
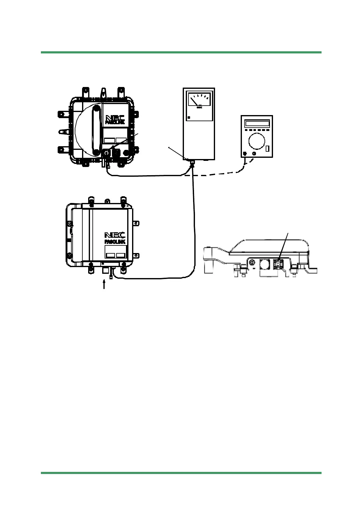
C\aR ,;8 9<K87 5B ?GF 4A 7 A HGF GB 58 HF87 9BE G;8 4A G8A A 4 BE<8A G4G<BA 7 <998E J<G;
4A G8A A 4 5E46 >8G GLC8 F E898E GB 4A G8A A 4 5E46 >8G F;BJA <A <:HE8 GB
<:HE8
0
-
. /
0
1,
N
GO
<=
?<AB DC
& , ! *
' - M
A
' - M
9
.<8J
* 0 $ . % ' &
* 0 $ . ' / !&
<:<G4? @H?G<@8G8E
* 0 $ . % ' &
J
( + ' $ !& # @BA <GBE

Other manuals for NEC ipasolink 400

Related product manuals