EasyManua.ls Logo

NEC ipasolink 400 - Page 94

NEC ipasolink 400
186 pages
Print Icon
To Next Page IconTo Next Page
To Next Page IconTo Next Page
To Previous Page IconTo Previous Page
To Previous Page IconTo Previous Page
Loading...
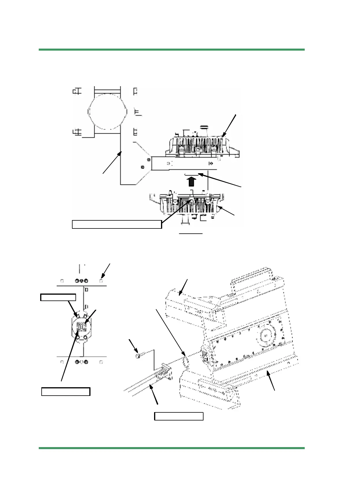
1)12
:B1"%% )(+ )"$&2 6NRSCLLCSJ ON
II68 =B:C I D ; HI6C 97 N ) /
D C C :8 I>DC D; L6K:<J>9:
' - % 4<A ' -
' E<A : ! "/.
$HTV^\aZ%
' - + G4A 7 5L ' -
( B ?8 @ BHA G
' - F;BH?7 58 4GG46 ;87 5L GHEA <A : U. V HC
,B C .<8J
@lUe\W
?8K<5?8 J4I8:H<7 8
?4A :8 GLC8 - *
( B?8 @B HA G
' E<A : ! "/.
$HTV^\aZ%
8K4:BA ;847 F6 E8J
J<G; J4F;8E % ] 84
@lUe\W
/ 4I8:H<7 8 9?4A :8
?4A :8 GLC8 ( *
B A B G E8@ BI8
&
.BA6<; % 92.@2 0<;;20A A5 2 392E6/92
D.C24 B612 6; A5 2 @.: 2
16? 20A6<; .@ F/? 61

Other manuals for NEC ipasolink 400

Related product manuals